Paso 4: Construir el circuito








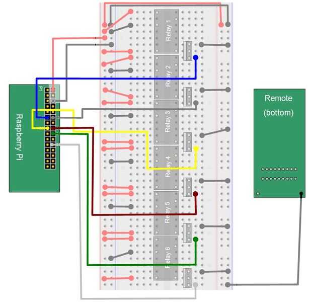
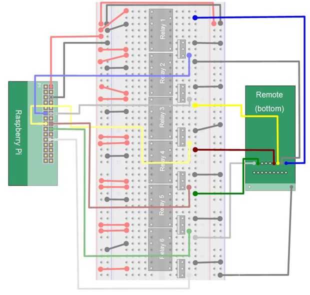
1. Inserte los relés y los MOSFETS (seis de cada uno). Importante : no me di cuenta hasta después de todos estos diagramas que el embalaje de los relés es ligeramente demasiado voluminosos que ocupan filas adyacentes del tablero, como en la foto. Realmente necesita una fila en blanco entre cada relé, añadiendo cinco filas de espacio total para la construcción (que no debería ser un problema si ya estás usando un protoboard 60 + fila grande).
2. Utilice los cables de puente para hacer todos los + 5V (rojo) y conexiones a tierra (negro) en el protoboard.
3. Conecte la placa a los pines de frambuesa Pi + 5V y GND y el negativo de la batería terminal (-) del mando a distancia. Importante: no Conecte el riel de alimentación positiva en la placa (+) terminal del mando a distancia de la batería. La batería remota es de 12 voltios, así que si usted corta que al pin de 5V de la Raspberry Pi, le suceden cosas malas.
4. Conecte los pines GPIO de la Raspberry Pi (17, 18, 22, 23, 24 y 25) a las puertas (pin izquierdo al frente el lado con la escritura) de los MOSFETs respectivos como se muestra. Ver la tabla con códigos de colores, que coincide con los colores de los cables que utiliza en los diagramas de la protoboard, para ayuda realizar un seguimiento de todo. Consulte esta página para obtener más información acerca de los pines GPIO y el esquema de numeración (que puede ser confuso si usted es nuevo a Raspberry Pi, especialmente si estás acostumbrado a Arduino).
5. Conecte los cables que usted previamente soldadas en el remoto a la protoboard. Usar la misma Convención de señalización para estos cables en los diagramas anteriores.
Para una explicación de cómo funciona el circuito, vea este paso de mi Instructable anterior.