

Cómo construir un impulso & relación LCD medidor de aire combustible
Por Paul Vang
Descripción: Este tutorial mostrará cómo construir un impulso de LCD y AFR (cociente aire-combustible) calibre y mostrando en una pantalla de LCD Hitachi de 20 x 2. Un LC-1 innovar alimentarán la banda ancha 0-5v para lecturas 8-22afr. La lectura de boost fue instalado para trabajar con un sensor del mapa de Honda sin embargo puede usarse cualquier sensor map con algún cambio en el código.
La pantalla LCD mostrará el cociente aire-combustible con una barra indicadora que van desde 8-22afr. La pantalla LCD también mostrará vacío impulso actual y máximo impulso. Habrá 4 botones para activar el menú, navegar y claro el impulso de pico.
Video Clip del trabajo de ensamblado de proyecto:
Piezas necesarias:
Arduino Uno
4 botones de presión
resistencia de 10 4 k
potenciometro de 1 10 k
20 x 2 LCD (Hitachi compatible)
Varios cables
Cable USB para la ONU
IDE de Arduino versión 1.0.1 al 1.0.4 (probado)
Opcional:
Sensor de presión Bosch BMP085 (para detección de atmósfera si utiliza sensores absolutos)
Alambre del proyecto en un tablero protoboard o prueba.

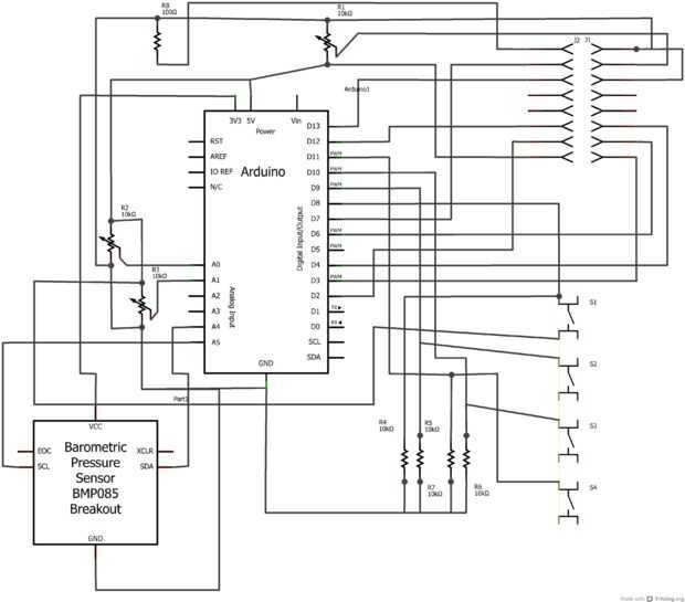
Seguir el esquema siguiente si es necesario. Por favor tenga en cuenta que el esquema tiene la cabecera LCD boca abajo. El pin uno es en la parte superior derecha.

Una vez que la unidad es cableada, subir el archivo de proyecto para la placa Arduino (o compatiple). Esto ha sido probado en la Uno y Mega2560. Descargar el código y los detalles completos a continuación.
Botones de navegación
Hay 4 botones para navegar por el menú del sistema. Para invocar el menú, presione el botón Enter durante 1 segundo. Para navegar por el menú, pulse el botón Previous/Next para 2seconds. Pulse Enter para seleccionar el menú, submenús o hacer un cambio.
Anterior (o pico impulso reset cuando no esté en modo de menú)
Siguiente
Salida (regreso a la pantalla del monitor)
Entrar (o confirmar los cambios)
El código de
El proyecto fue desarrollado en Arduino 1.0.1 en un Mac y se ha probado hasta la versión 1.0.4 para Mac y PC. El sistema de menús usa menubackend eso Biblioteca va a necesitar incluir a las bibliotecas de Arduino. (Cómo agregar bibliotecas: http://www.arduino.cc/en/Hacking/Libraries)
Hay 4 pestañas al abrir el proyecto en Arduino. Hay códigos junto a cada línea para darle una idea general de lo que está haciendo. La primera pestaña alberga la configuración nula y la instrucción void loop. La segunda pestaña (Menu_Action) almacena el comando de menú de confirmación. La tercera pestaña (Boostafr) almacena las fórmulas de cálculo de relación combustible boost y aire. La última ficha almacena las notas.
Uso EEPROM
Dirección EEPROM 1 se utiliza para impulso de pico (usado con moderación ya que la EEPROM tiene un ciclo de vida de cerca de 100 k escribe.
Dirección 2 de la EEPROM se utiliza para iluminación
Si mejorar o agregar a ella, por favor me avisan para que actualicemos el código en la página de Tutorial.
Descargar el código de abajo en el link de descarga.
La descarga incluye:
1. las bibliotecas de usa
2. el Arduino Schetch
3. el dibujo de Fritzing y esquema
4. el documento PDF como a
ADVERTENCIA: Construir y usar bajo su propio riesgo. No será responsable por los daños y perjuicios se produjeron de la construcción del proyecto.
Bibliotecas: Algunas de las bibliotecas eran de código abierto. El propietario respetuoso merece el crédito para la creación de las bibliotecas.
Visite paulsvang.com para más tutoriales en el futuro.
DESCARGAR EL ARCHIVO:
http://paulsvang.com/Mylife/How-to-Build-a-Boost-...
Más detalles aquí: http://paulsvang.com/mylife/how-to-build-a-boost-a...
Probado en un coche aquí: http://paulsvang.com/mylife/arduino-air-fuel-ratio...