Impresionante placa de escritorio LED Edge-lit (8 / 10 paso)

Paso 8: La Base del diseño

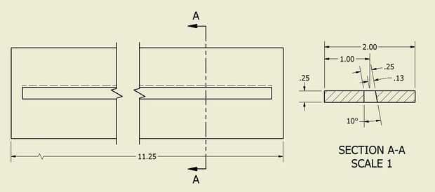
El cuadro de base se construye de una serie de 1/4 en paneles de roble maciza. El patrón para los paneles de la foto a continuación. Sólo la longitud y el espacio entre las costillas se deben modificarse si utiliza texto diferente.

Artículos Relacionados

Impresionante placa de escritorio de papel

Impresionante placa de escritorio de papel

este instructable le dirá cómo hacer una placa de escritorio como los que los jefes de las grandes empresas tienen en sus escritorios.Paso 1: materiales Lo que necesita...Un 8 1/2 por 11 pieza de papel de impresiónSharpie (cualquier color está muy bi
Otra señal de LED Edge-Lit

Otra señal de LED Edge-Lit

Hay clase de muchos de ellos. ¿Pero entonces, todo el mundo como cosas brillantes, sí? Sí, por supuesto lo hacen. Cosas que brillan son impresionantes.Necesitaba un proyecto.Sentí que el hackerspace de Bergen necesita una muestra fresca.Karlmag compa
LED Edge Lit tarjeta

LED Edge Lit tarjeta

Esta tarjeta es una adaptación de improvisador LED fundido tarjeta de Navidad hemos creado para vacaciones tarjeta de construir noche de YuKonstruct.YuKonstruct es el primer makerspace en norte de Canadá. Nuestra misión es facilitar el acceso al espa
Exhibición del laser Cut Edge Lit Halloween - lo hice en TechShop!

Exhibición del laser Cut Edge Lit Halloween - lo hice en TechShop!

Recientemente he estado experimentando con el equipo en el parque de Allen/Detroit TechShop.  Si eres consciente de TechShop, por favor salir y llegar a conocerlos en techshop.com.Después del curso de introducción para corte por láser, pensé que lanz
Iluminado O panel (foto de Edge-Lit a todo Color!!!!!!)

Iluminado O panel (foto de Edge-Lit a todo Color!!!!!!)

Comenzó con una IdeaTL; DR Why no crear una pantalla de borde iluminado de todo color, por lo que puede convertir cualquier imagen en un lleno impresionante color iluminada del borde-lithopane. Además, hizo muchos errores y aprendí algunas cosas. No
Lámpara de escritorio LED Woodpunk

Lámpara de escritorio LED Woodpunk

el Woodpunk LED lámpara de escritorio es el resultado de que está inspirada, quizás más de un año atrás, por un diseño que vi en un blog de diseño.  Es un poco de un animal doméstico peeve que todas estas ideas fantásticas alarde pero nunca producida
Lámpara de escritorio LED usando sugru, nick NACK y kitronik kit de ikea

Lámpara de escritorio LED usando sugru, nick NACK y kitronik kit de ikea

Nunca parecen tener suficiente luz en mi escritorio hoy en día, la luz de mi lámpara de escritorio parece demasiadas sombras y toma un poco demasiado larga para ser brillante con un bulbo ahorro de energía moderno.Vi el nuevo Kit de lámpara de escrit
Modding de una lámpara de escritorio LED de cama, baño y más allá

Modding de una lámpara de escritorio LED de cama, baño y más allá

se trata de una lámpara de escritorio LED hecho expresamente para cama, baño y más allá. No sé cuánto tiempo he tenido. Sin embargo, ha durado me un buen 2 o 3 años. Sin embargo, tuve problemas con el mecanismo del interruptor. Salen a veces y tengo
Lámpara de escritorio LED simple

Lámpara de escritorio LED simple

estaba cansado de tener que conseguir nuevas bombillas y tener que reajustar la luz de mi escritorio, así que construí mi propia lámpara de escritorio LED fácilmente desplazable.Paso 1: en primer lugar recibir los materiales Primero debe obtener los
Lámpara de escritorio LED alimentado por USB

Lámpara de escritorio LED alimentado por USB

Hola chicas!Hoy, a 5 min USB había accionado lámpara de escritorio. He tenido problemas con las luces de neón en el trabajo, así que decidí construir una lámpara de escritorio LED fácil y rápida que es alimentada por el puerto USB en mi PC de escrito
Cómo hacer un cajón de escritorio LED luz!

Cómo hacer un cajón de escritorio LED luz!

Hi,En este instructable voy a mostrar cómo crear y luz de cajón de escritorio LED que se enciende una vez que abres el cajón y se apaga nuevamente una vez que cierre. Es muy simple, barato y fácil de hacer y es una gran luz para cavar a través de sus
PI Edge Lit LED luz de plexiglás

PI Edge Lit LED luz de plexiglás

¿PI es un número interesante, o es un número? Es el cociente de la circunferencia de un círculo a su diámetro. No hay ningún punto en el que hay un final a los puntos decimales de su valor. PI ha sido calculado con 13,3 trillones de decimales según l
¿Reloj LED Brite Lite

¿Reloj LED Brite Lite

Lite Brite clavijas parecen LED no?  Eso es lo que aunque el otro día después de trabajar en un cubo de LED por unas horas.  Me paso a ver Brite Lite de mi hija ahí sentados, y miré a la pila de LED en mi escritorio.  Una combinación perfecta!En este
Lámpara de escritorio LED de DIY metacrilato

Lámpara de escritorio LED de DIY metacrilato

Fácil USB powered led lámpara de escritorio.REPRODUCIR VIDEOMI canal de YOUTUBE SuscríbeteHACER DARDOS FUERA DE LOS PARTIDOSPaso 1: materiales you will need1. cristal de plexiglás de2. la plantilla3 LEDs 5 voltios4. madera para base5. cable USB6. peg