Paso 1: Medición de humedad de suelo capacitiva: pruebas



Aunque se puede usar el arduino para medir directamente la capacidad, me resulta un poco tedioso y también le costará un pin extra o 2. También es un poco práctico ya que necesita el condensador para estar cerca del arduino no medir la capacidad perdida de los cables.
Por lo tanto quise utilizar un oscilador RC en el que la 'C' es decir, el contenido de humedad define la frecuencia de la osicllator. Un valor de frecuencia puede ser transportado más fácilmente sobre un alambre largo que un valor de capacidad.
BOM:
- 74HCT14
- 2M 2 resistencia (más tarde utilicé 3M 3)
- Tarro de cristal (encurtidos o algo por el estilo)
- 2 pedazos de papel de aluminio, cada uno lo suficientemente grande como para cubrir un poco menos de la mitad de la jarra
- Ducttape
- cables de
- pequeño protoboard
- Arduino
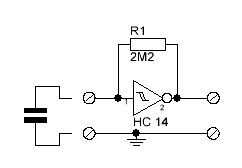
Hay varios circuitos simples que forman un oscilador RC pero he escogido el uno con el inversor/schmitt-trigger 74HCT14. La frecuencia es 1/T = 1 /(0.67 xRC). Si le sucede que uso un 74HC14 la frecuencia es 1/T=1/(0.8xRC).
Sin embargo, la frecuencia real no es realmente importante, ya estamos en busca de diferencias en la frecuencia que se relacionan con el suelo seco o húmedo. Si le sucede que tiene algunos NANDs en lugar del 74HC14 que pueden usarse también y mayoría de la gente probablemente tendrá un 555 que se pueden utilizar.
Como es invierno y el frío afuera me gustaria hacer mis pruebas interior así que también hice una clase rápida de modificado "tarro de Leiden" (Leidse Fles) que consistía en un frasco de vidrio con dos pedazos de papel aluminio adosados al exterior (en lados opuestos) con cada una un cable ducttaped a él.
Adjunta este tarro a la entrada del oscilador y la salida a un arduino donde usé un comando simple 'pulseIn' para medir el periodo. Primero usé una resistencia de 100k pero que realmente no muestran ningún resultado, por lo que aumentó a 2M 2.
entonces comencé a llenar la jarra con agua. Eso me dio las siguientes lecturas:
- Frasco vacío: 1 (pero que probablemente fue la lectura mínima como 'ningún tarro' también me dio eso)
- Medio vaso lleno: 50-60uS
- Vaso completo: Estados Unidos 90-110 (eso es alrededor de 10kHz)
Todo parecía bastante estable y de hecho bastante lineal así. El sistema también es bastante sensible: me enteré de que si me pegué mis dedos en un tarro completo, el tiempo de ciclo un poco: como mis dedos contienen menos agua que el agua pura y desplazaron el agua, el dielectrum caído. Obviamente esto funciona sólo con un frasco completo, porque con medio tarro completo el agua entre las placas se levanta, aumentando el dielectrum otra vez.