Paso 6: Schemmy

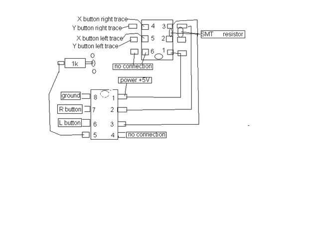
El chip de la parte inferior es el microcontrolador. Es deadbugged, por lo tanto la numeración es al revés. Los pines no están doblados en este caso, pero izquierda como es.
El chip de la parte inferior es el microcontrolador. Es deadbugged, por lo tanto la numeración es al revés. Los pines no están doblados en este caso, pero izquierda como es.