Paso 4: Método 2: las partes



Para el conductor:
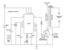
-La viruta PWM TL494
-potenciómetro de k 10
-potenciómetro de k 22
-2.2 resistencia k
-resistencia de ohmios 10
-condensador de 100nf
-condensador de 10nf
-condensador de 47nf
-capacitor de 200uf
-Potencia de canal N MOSFET (IRFP250, IRFP260, IRFP064, IRF540, IRFP450 [lo que estoy usando])
-UF4007 o un diodo rápido
-Macho conector de audio
-7812 regulador de voltaje
-fuente de alimentación de DC 12-24 voltios a 3 amperios o más
Transformador de flyback -CA (las caseras no funcionan muy bien)
Para la cubierta
-Cuadro proyecto
-Varios tornillos y tuercas
-Brocas
-bombilla de globo claro 60 vatios
Como se puede ver, hay muchas más piezas a este método. Otra desventaja es que la mayoría de los Índice de flybacks casero que he probado no funciona bien con este circuito. Pero si aún desea tratar de hacer un flyback casero, continúe al siguiente paso