Paso 1: Los métodos: 1 y 2


Existen dos métodos para hacer que un globo del plasma. Ambos utilizan transformadores flyback de AC, pero utilizan controladores diferentes. Esto es importante saber porque construirá el controlador usted mismo y usted quiere elegir su método basado en algunos factores diferentes.
Método 1 utiliza un temporizador 555 para encender y apagar un mosfet. Se utiliza menos componentes y es más fácil de construir.
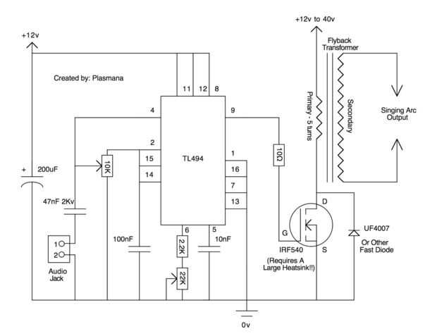
Método 2 utiliza un chip de TL494 que puede comprarse en línea. Este es más complicado, pero le da más control sobre el circuito y permite incluso que entrada de audio.
Te recomiendo el método 1 para principiantes porque es más fácil obtener la frecuencia deseada que usted desea. La frecuencia también se establece en un valor seguro si la utiliza los componentes correctos. Esto es importante porque si la frecuencia es demasiado baja, entonces usted conseguirá una sorpresa desagradable. Al final de este instructable, voy a mostrar 2 videos que te dicen cómo sintonizar el controlador para que los arcos son seguros para manejar.