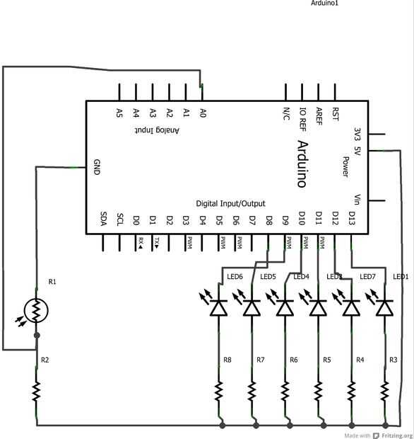
Gráfico de barras sensibles Arduino luz (2 / 5 paso)

Paso 2: Conectarlo

El circuito de alambre como se muestra en los diagramas.

Artículos Relacionados

Control simple gráfico de barras de LED con Arduino

Control simple gráfico de barras de LED con Arduino

en este tutorial te mostraré cómo controlar simple 10 matriz de gráfico de barras LED con Arduino o Arduino clon MCU y MAX7219 (también funciona con MAX7221) chip de controlador de LED.Aquí tenemos en vídeo de producto terminado en acciónSobre matric
Gráfico de barras de nivel de temperatura con LM35 con Arduino

Gráfico de barras de nivel de temperatura con LM35 con Arduino

Fuente: http://www.theorycircuit.com/temperature-level-bar-graph-using-lm35-with-arduino/La salida de gráfico de barras LED es muy fácil de entender el nivel de salida. Aquí utilizamos LM35 tres pin temperatura sensor y arduino uno para tener entrada
Arduino Knight Rider (con gráfico de barras LED)

Arduino Knight Rider (con gráfico de barras LED)

Hola a todos,Siempre he querido hacer un circuito de jinete del caballero, pero cada tutorial que he leído usa toneladas y toneladas de componentes. Así que hice un circuito de jinete del caballero que utiliza 3 componentes y un poco de programación.
Sensor capacitivo con gráfico de barras

Sensor capacitivo con gráfico de barras

en este instructable le mostraré como hacer un sensor de capacitancia y cómo hacer un gráfico de barras con él.Compruebe hacia fuera mi nuevo sitio web: http://hacktronic.webs.comPaso 1: Piezas y herramientas Estas son las piezas y herramientas neces
Cómo hacer un gráfico de barras en la oficina de Libre

Cómo hacer un gráfico de barras en la oficina de Libre

Diagramas, gráficos y tablas son parte importante de cada presentación en la escuela o trabajo y es bueno saber qué tan fácil es crear con programas de computadora disponibles. Decidí presentar la creación de gráfico de columnas simples (gráfico de b
Gráfico de barras LED

Gráfico de barras LED

este gráfico de barras led contiene sólo tres LED ' s y cada LED muestran el bajo, mediados de gama de frecuencias y altas según el audio jugado, este gráfico de barras puede usarse en amplificadores de audio, el circuito es para un amplificador de 4
SPLat EC1 basado en AA y AAA probador de la batería con gráfico de barras

SPLat EC1 basado en AA y AAA probador de la batería con gráfico de barras

Un simple y fácil de probador de la batería de programa AA que puedan probar todas 1.5V baterías y puede ser programado volver a probar hasta 3, 3V pilas!Partes:1 LED común cátodo gráfico de barras o equivalente 1.8V adelante voltaje y 10 mA por LED
Gráficos de barra con pantalla intuitiva de variación (un experimento)

Gráficos de barra con pantalla intuitiva de variación (un experimento)

Me he decepcionado por un tiempo ahora con las opciones para mostrar la variación de la población o incertidumbre en gráficos.(Para los archivos utilizados para crear los gráficos, vea aquí y aquí.)Motivación:Lo puedo decir, hay tres opciones para el
Gráfico de barras de pantalla de reloj Digital

Gráfico de barras de pantalla de reloj Digital

CD4017 es un circuito integrado versátil (y su hermano pequeño CD4022) y tiene infinitas aplicaciones. Este proyecto reloj digital se hace de 8CD4017´s plus un 7812 o 78 L 12 para el suministro. Referencia de tiempo se obtiene de la frecuencia de lín
Sensor de luz muy sensible Arduino

Sensor de luz muy sensible Arduino

en el Proyecto de la comunidad de bioluminiscencia en BioCurious, hemos estado trabajando con un número de algas y bacterias bioluminiscentes. Nos encantaría poder medir con precisión cuánto luz estos organismos producen. Por desgracia, la cantidad d
Motor de pasos sensibles de Arduino luz

Motor de pasos sensibles de Arduino luz

He subido con una manera simple de hacer un movimiento de motor paso a paso de una posición a otra basada en la iluminación en una habitación. Con un puñado de componentes básicos tenía por ahí, sin necesidad de motor de lujo / protectores de paso a
Botella de Tequila, caja de cigarro + Arduino = luz de la fría noche

Botella de Tequila, caja de cigarro + Arduino = luz de la fría noche

Nos encanta reciclar cosas bonitas y nos gusta Arduino, así que decidimos combinar los dos en algo útil y divertido! Tomó una botella de Tequila, una caja de puros y Arduino Uno y unos pocos componentes cada día y crea una luz de noche sensible luz.H
La suciedad barato Arduino luz LED bar!

La suciedad barato Arduino luz LED bar!

Este instructivo fue diseñado para los principiantes en mente, pero los usuarios avanzados pueden adaptarse fácilmente para caber sus necesidades y deseos. Sólo utiliza unos pocos componentes comunes, por lo que no deberías tener muchos problemas est
Theremin Arduino luz

Theremin Arduino luz

Un theremin es un aparato de música electrónica que puede detectar la posición de una manos de artistas y crear sonidos musicales sin el ejecutante tocar el dispositivo. Para nuestra luz theremin vamos a adaptar este concepto y crear un theremin que