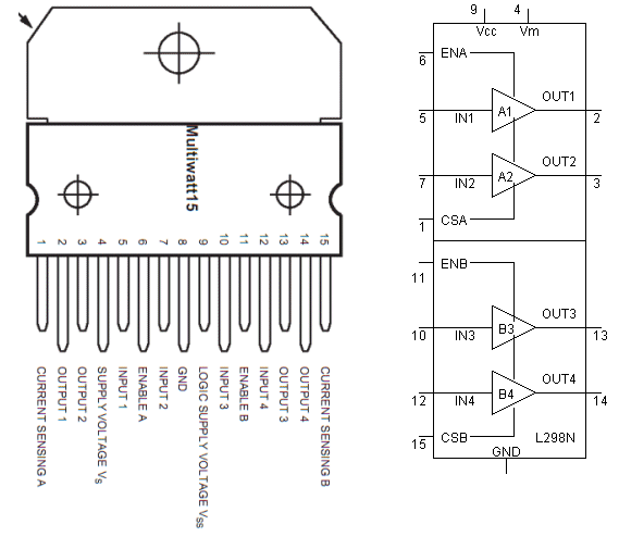
Paso 4: Diagrama del circuito


Insisto en que todo circuito en protoboard antes de conectar
soldadura en placa de circuito porque hay una posibilidad de cometer errores en la conexión en el primer intento. Antes de seguir adelante, le sugiero que consulte la especificación de la parte electrónica.
Conecte el circuito como se muestra en la figura a bordo de pan con el controlador IC, Arduino Uno r3, hc05 Bluetooth. Conectar motores en los terminales de salida.