Paso 2: Montaje y código



Como saben muchos usuarios de Arduino, Arduino estándar puede llevar escudos. Como saben muchos usuarios de Arduino, un conector no es el mismo espaciado de 0,1 pulgadas como los otros tres. Como sólo he modificado mi ICP viejo, no voy a entrar en detalles sobre cómo conseguí alrededor de esto. Ver el Instructable primera:
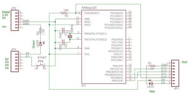
Ver esquema.
Esto también podría ser construido en un escudo de proto Arduino estándar. No voy a hacer punto a punto y mis fotos no proporcionan suficiente información para hacerlo. Supongo que el lector/usuario sabe cómo transferir un esquema a un protoboard.
Las principales diferencias de la original son:
Energía se obtiene de Arduino Digital 9 en vez de 5V. En ICP viejo, 9 Digital suministra una 'heartbeat' al IC programado. De tenga cuidado el cristal y los condensadores.
Uno de los sitios web referenciados tiene preocupaciones sobre el IC alimentada por pin de salida digital. La documentación de Atmega que tengo dice que los pines digitales pueden poner a 20mA. Medí la corriente va a un Atmega, era sólo de 9mA. Así que no estoy preocupado por esto.
También declararon que el cristal y condensadores no eran necesarios para el nuevo ICs Atmega. Bien, no tengo ninguno de esos así, pero tengo un montón de Atmegas usado que necesita el cristal y condensadores así que los pongo en mi tablero. Funcionará aún si no son necesarios.
FYI: se puede cambiar el código del bootload en un Atmega una y otra vez.
Este es otro método para cambiar Arduino bootloader optiboot UNO o no optiboot. No he probado esto.
http://code.Google.com/p/optiboot/
Código:
He incluido el código de Arduino. Todo añadido fue apoyo para el error y LEDs OK y el botón de inicio. El rojo LED sale si no hay Atmega, si está instalada al revés (sé) o si no se carga el gestor de arranque. El LED verde se enciende si bootload se ha instalado correctamente. El botón de inicio inicia el proceso para el Atmega siguiente.