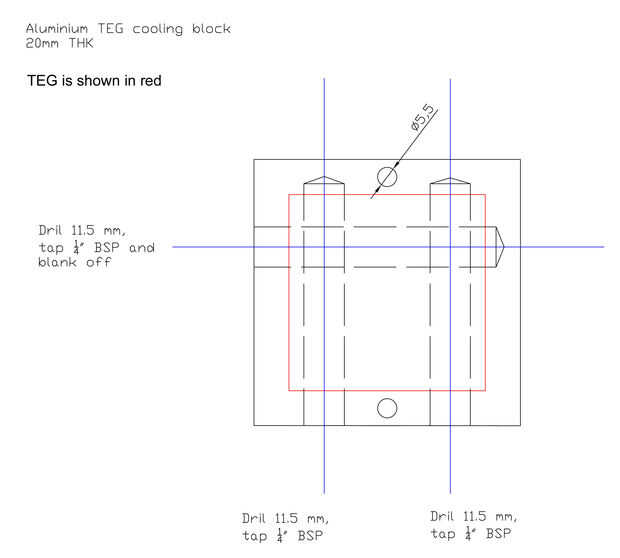
Paso 6: Taladrado y roscado el bloque de enfriamiento


Utilizar la ingeniería dibujo para producir formas de pasaje interno del refrigerante en el bloque de aluminio. Terminé de perforación a través de todo el camino hasta el otro lado y usar más de 1/4" espacios.
Conecte los accesorios de tubería de 1/4" al bloque y a plomo en la bomba. Agregar anticongelante al agua en la culata de agua si es probable que hacer frío en absoluto.
Para crear un «sandwich» con el bloque caliente (bloque de acero), el TEG y el enfriamiento, taladro y aprovechar los agujeros en el bloque de acero para los tornillos de 5mm.
El bloque caliente de soldadura en el lado de la estufa de leña y volver a crear el sándwich TEG, endurecer los pernos con una llave dinamométrica (véase archivo).
Conectar LEDs en el TEG, encienda la bomba, encender el quemador de madera y se van!