





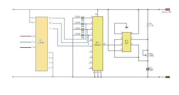
Aquí he intentado ejecutar el disco duro con IC 555 y 4017 IC controlador de motor L293D IC
La idea es simple,
Motor de disco duro requiere 3 pulsos cambiada de puesto a ejecutar. Puede obtener información sobre el machanism de funcionamiento y motor paso a paso en algún otro artículo de instructible.
Requisito de
-nos 1, motor de disco duro recuperado
-nos 1, 555 IC
-nos 1, IC 4017
-nos 1, IC L293D
-No. 5 4, LEDs (opcionales) utilizó entonces como un indicador de
-nos 1, 100 K Pot
-Nº 4-5, resistencias de 1 K
-1 nos, condensador de 1uF
-5 v alimentación (he modificado el cargador móvil otro puede usar batería de 9 V)