Paso 2: Seleccione el tipo de circuito y partes






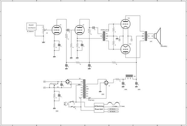
Y el aspecto es tan importante como su rendimiento. Sería tan frío miniatura tubo o tubo de GT se utiliza en dicha radio. Así que todo tubo en este radio debe ser del tipo ST.
Finalmente seleccioné 71A pushpull. 71A es un triodo calefacción directa hecha en los mismos años como 12A. Para la conducción de la etapa he seleccionado 27, que fue utilizado como un detector en el receptor original. Y según la forma de esa generación, empleó el transformador driver.
71A pushpull es ciertamente mucho más poderoso que 12A pero su poder aún es pequeño para los altavoces modernistas. Yo empleado modelo eficiente alta de la década de 1970 hecho en Japón - 8 plano de Coral.