Paso 5: Arreglo de piezas y cables




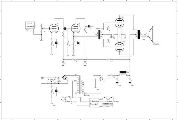
Este circuito no tiene tal característica impresionante, muy clásico no retroalimentación pushpull con transformador inversor de fase.
Acoplamiento de condensador y transformador de la etapa (inversor de fase) se coloca en placa de orejeta plana.