Paso 7: Construir y programar circuito del dispensador de hilo


Construir el circuito en el diagrama de abajo y programa con el código proporcionado. Determiné que doce pies del hilado era simplemente la sincronización con un reloj de parada. El motor ejecuta el código para que la cantidad de tiempo (convertido en milisegundos).
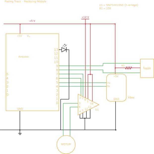
Para mayor comodidad, he construido mi circuito con un puente H--una viruta del IC que puede cambiar la dirección de un motor. Dirección de H puente está determinado por un interruptor de palanca. Aquí hay un tutorial sobre puentes de h.