Estilo vintage reloj de pared de nixie (3 / 21 paso)

Paso 3: llevar a cabo con el diseño de pcb

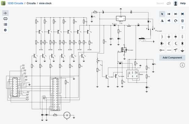
El esquema de circuitos 123D está listo y usted puede extraer el b.o.m. para ordenar todos los componentes para su reloj nixie.

Artículos Relacionados

Niños vintage reloj de pared de grabación $4.

Niños vintage reloj de pared de grabación $4.

Hello all! Hoy quería compartir con ustedes mi regalo favorito ahorro idea! Sé que usted ha visto esto millones de veces en internet pero creo que mío es el único que se hace de los registros de niños vintage que suelen ser muy coloridos y creativos.
Reloj de pared Vintage de bordado

Reloj de pared Vintage de bordado

Recientemente encontré mucho de la vieja arpillera en mi sótano (sí, edad suficiente para ser realmente vintage!).Por esta razón yo estaba pensando maneras de usarlo, cuando vino a mi mente la idea del reloj. Arpillera es vieja o nuevo, siempre da un
Tienda estilo reloj de pared

Tienda estilo reloj de pared

Un i'ble de un solo paso para mostrar la creación del día: un reloj de pared hecho con materiales reciclado/gratis!Anteriormente solía llevar mi reloj de pulsera conmigo cuando fui trabajando en mi tienda, seguimiento de tiempo. Pronto me di cuenta d
Top Ten originales relojes de pared

Top Ten originales relojes de pared

1 reloj de pared Pop Quiz de matemáticas y CienciasEste precioso reloj nuevo parece haber sido escrita a mano por ese profesor de matemáticas mal que tuvimos que soportar. Cada hora está marcada por un problema de matemáticas simple. Resolverlo y res
Reloj de pared de la plataforma de madera

Reloj de pared de la plataforma de madera

Crear un reloj de pared de tablas de palet de madera reciclado es muy sencillo y tiene un aspecto fantástico. Este Instructable documenta el proceso.* Si te gusta este Instructable considere votar por él en el concurso del tiempo! Como siempre, no du
Estante de exhibición apenado de estilo vintage (modo fácil)

Estante de exhibición apenado de estilo vintage (modo fácil)

Mi esposa y encontré este estante de estilo vintage en una tienda, y decidió que necesitábamos otro para emparejar. (La primera espada y escudo del bebé es la copia.) Se hace muy simplemente con clavos del clavito, tablas de 1 x 4 y un tablón con cue
Reloj de pared de Batman

Reloj de pared de Batman

por lo que durante el último par de semanas he estado haciendo planes para decorar mi dormitorio de ahijados y quería un Batman temático así pensé yo empezar fácil y él construir un reloj de pared estilo de Batman.Su realmente muy fáciles de hacer y
Reloj de pared de la exhibición minifigura

Reloj de pared de la exhibición minifigura

una gran manera de mostrar colecciones de minifigura!Las tiras de montaje desmontable tipo velcro facilitan cambiar figuras y sustituir la batería del reloj.Nivel de dificultad: muy fácilTiempo: tiempo de espera de menos de una hora de trabajo, ademá
Reloj de pared

Reloj de pared

Hola chicos, hoy vamos a aprender algunas habilidades de diseño para hacer impresionantes relojes de pared. En este proyecto utilizar InkScape para el diseño de nuestro reloj de pared y utilizará una máquina de corte láser para cortar.Nota: Este proy
Reloj de pared LED

Reloj de pared LED

Esto es simplemente una manera simple de decorar de nuevo tu reloj de pared con materiales básicos alrededor de la casa.Paso 1: Materiales necesarios Antiguo reloj de paredLuces LED - sombrero de paja blanco LedBatería de 9V + ClipBonos de Alteco col
Parafrasear: convertir iPhones viejos en reloj de pared o arte de la pared!

Parafrasear: convertir iPhones viejos en reloj de pared o arte de la pared!

¿Tienes un iPhone funcional viejo que está sentado alrededor de recoger el polvo? Es un miniordenador súper avanzado completamente funcional con una maravillosa pantalla, altavoces, micrófonos y un montón de sensores en. Me puse a buscar una manera e
Reloj De Pared Con Palets

Reloj De Pared Con Palets

En esta ocasión os traigo un vídeo de como hacer un reloj de pared con dos listones de un palet, clavos y un poco de cola...Espero os guste.
Reloj de pared de LED binario puro con Arduino

Reloj de pared de LED binario puro con Arduino

Mi reloj de pared binario está inspirado en muchos relojes binarios, que he encontrado en InstructablesEnlaces:Reloj de LilyPad Arduino:Reloj binario:Además de algunos otros instructables reloj binario.Pero...Lo que me pareció carente de ellos era la
Reloj de pared de la cabeza del tambor

Reloj de pared de la cabeza del tambor

hice este proyecto hace unos años y decidió que sería una buena idea para seguir adelante y publicar en línea. Tenía una cabeza extra bombo ahí que yo no tenía necesidad de. Pensé que sería una idea aseada para convertirlo en una especie de arte de l