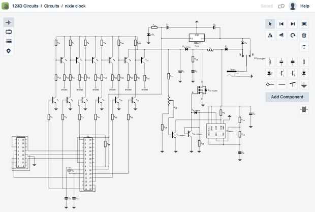
Paso 2: esquemático






Desde el primer reloj nixie ya estaba equipado con un circuito muy ajustable por el usuario, con predisposición para agregar módulo RTC y otros sensores externos, mantuve ese mismo esquema [actualización: he añadido una interruptor de posición para mantener el chip de potencia pero los dígitos de y hay un diodo adicional, D5, que es idéntico a los demás 1N4001-4004].
Si quieres diseñar tu propio pcb, puede iniciar desde este esquema y desarrollar el circuito en circuitos 123D, como explico en los pasos a seguir. Aviso que los circuitos 123D es un poco simplificado en comparación con el original (quité la parte de fuente de alimentación de 12-35V e izquierda 9-12V),
Siguen notas sobre las fotos para entender mejor la manera de proceder.