Paso 1: Diseño de PCB de tiempo (Weather5Xmitter)






ENERGÍA:
Batería: baterías de 1 o 2 18650
Completamente cargada 4.2Vdc
Arduino: Mini Pro 3.3V 8 MHz
Requisitos de alimentación:
DHT22 3.3V-6V temperatura – RH
BMP180 1.8V-presión barométrica 6V
nrf24LO1 1.9V-3.6V wireless transceiver
U1881 3.5V-efecto Hall de 20V para lluvia y velocidad del viento
HMC5883L 3.3V-5V magnetómetro para dirección del viento
Problema: Por ello, algunas de las 18650 baterías vienen con una tapa plana. Compré algunos de ellos, funcionaba bien en mi cargador pero tuve algunas dificultades en algunos de mis adaptadores.
Solución: Yo vi esta idea en Internet, no recuerdo donde. Compré unos 5mm x1mm imanes y había pegado en la parte superior plana. Funcionó muy bien. Ver fotos.
Problema: He probado los dispositivos de U1881 que compré. Sólo trabajaban hasta 3.7Vdc en vez de 3.5Vdc nominal.
Solución: Conecté el U1881s directamente a las baterías y supervisará los voltajes de la batería
Paneles solares: Compré algunos paneles de solar 6V 200mA. (Actualmente utilizando uno)
Esto está conectada a un cargador de baterías de litio USB:
La salida está conectada directamente a las 18650 baterías.
Technobabble: El 18650s no tiene que ser totalmente descargada y deben ser capaces de recargarse mientras se alimenta el PCB.
Hice una rápida comprobación sin luz del cargador de panel solar y 18650 conectado, no hubo actual que va al cargador. Así que por la noche el cargador de panel solar no agotará la batería.
Cambiar sensor de temperatura para DHT22, para temperatura y humedad relativa.
Añadido BMP180, sensor de presión para presión barométrica.
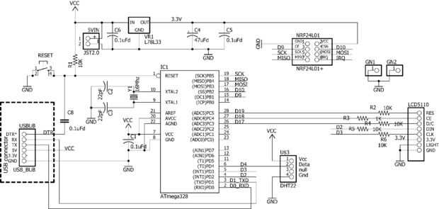
La segunda placa es Weather5Receiver PCB. Derecho ahora, estoy usando el PCB del receptor de este Instructable:
Este PCB tiene una pantalla de LCD5110 pero mi Sketch no es realmente el uso de este. Como soy viejo, esta pantalla no funciona para mis necesidades. Yo estoy buscando una pantalla más grande o probablemente sólo utilizará la salida serial para conectar con un ordenador y una pantalla de la estación meteorológica.
Se adjunta esquema.
He adjuntado los archivos Eagle Cadsoft
Divulgación completa: El PCB que actualmente estoy usando es en realidad una versión anterior que modifiqué ya que necesitaba hacer cambios.