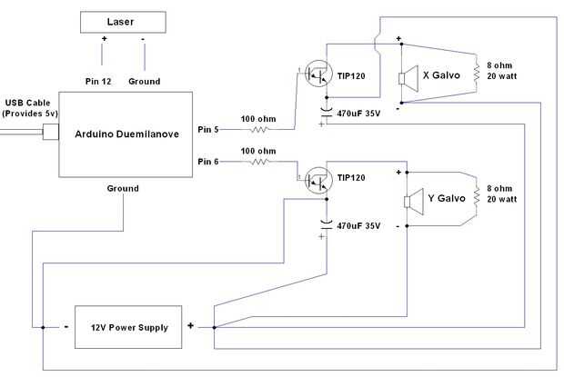
Paso 11: esquema

No hay necesidad de memorizar-vamos vamos sobre cada conexión en detalle!
(paso 17 describe una variación menor en estos planes - reemplazando las resistencias con diodos para una eficiencia ligeramente mayor)
No hay necesidad de memorizar-vamos vamos sobre cada conexión en detalle!
(paso 17 describe una variación menor en estos planes - reemplazando las resistencias con diodos para una eficiencia ligeramente mayor)