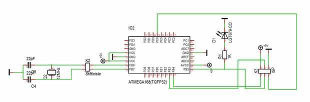
Escudo de programador ATmega168 TQFP32 smd (3 / 4 paso)

Paso 3: Shematic y PCB

!!! POR FAVOR ATENCIÓN!!!!!!
Tenga cuidado con la perforación del holse. Los agujeros de la PCB y el plexiglás deben ser exactamente similares.
Si no, de lo que será un cortocircuito y puede ser daño del μC.

Artículos Relacionados

Escudo de programador AVR

Escudo de programador AVR

Al lado de mi instructables Arduino también utilizo puro ATmega328 y ATtiny85 microcontroladores. Para programarlos yo normalmente se utiliza un tablero y la configuración de ArduinoISP con un Arduino UNO o NANO. Pero esto no era la mejor solución.Pa
ATtiny DIY escudo ISP programador

ATtiny DIY escudo ISP programador

Escudo de ISP ATtiny hace programación AVR ATtiny Chips pelados fáciles y sencillos y también ayuda a reducir sus proyectos de arduino. ATtiny ISP Shield es una herramienta de programación utilizada para programa desnuda para8 pin IC como ATtiny13, A
Arduino UNO como programador AtMega328P

Arduino UNO como programador AtMega328P

Después de recibir mi primer Arduino UNO, pronto comprendí que sería impráctico utilizar un UNO para cada proyecto. Como con la familia de Microchip de MCU, quería una manera fácil de programa independiente circuitos y chips.Buscando por internet, es
El reloj de Nerd

El reloj de Nerd

¡ Hola! ¡ Bienvenidos a otro tutorial de proyecto de otra máquina! Yo soy Sam DeRose, un anterior otra máquina Co. verano pasante. He creado el reloj de Nerd el verano pasado mientras trabajaba en el Mac.El Nerd reloj muestra la hora en binario cuand
Luz trasera de bicicleta con un toque

Luz trasera de bicicleta con un toque

seamos realistas. Las luces traseras son aburridas.En el mejor van ' blink blink - Mírame! Estoy parpadeando - woohoo' todo el tiempo. Y siempre son rojos. Muy creativo. Podemos hacer mejor que eso, tal vez no mucho, pero todavía mejor que simplement
Caseros 100 HP controlador de Motor de un coche eléctrico

Caseros 100 HP controlador de Motor de un coche eléctrico

este instructable explica cómo construir su propio controlador de motor de 100 HP (pico) para su uso en una conversión de coche o moto eléctrica.  Puede tomar cualquier voltaje hasta 144v, y la corriente máxima es de 500 amp.  El costo de los compone
Vueltas de distancia y el tiempo de IR de Nikon con ATtiny 85

Vueltas de distancia y el tiempo de IR de Nikon con ATtiny 85

Por qué tomar fotografías de lapso de tiempo.El Coolpix P900 de Nikon tiene muy buena estructura en funciones para tomar fotos de la luna con su zoom digital 83.Luna de tomar fotos, que la Nikon tiene un segundo 2 retrasan. Otro tiempo lapso construi
Detector de EMF 0 - 999 Hz ATtiny 85

Detector de EMF 0 - 999 Hz ATtiny 85

Un medidor EMF puede medir campos electromagnéticos AC, que generalmente son emitidos de fuentes artificiales como cableado eléctrico, mientras que gaussmeters o magnetómetros miden campos CC, que ocurren naturalmente en el campo geomagnético de la t
Espera!

Espera!

Este es mi 2560 Arduino a la espera de mi gran proyecto!  No estoy seguro pero lo que será.Paso 1: Kit de red Blinky WayneandLayne... Este fue un divertido juego para construir y fácil de soldar.  Buen kit para cualquier persona que necesite para la
Escudo de combinación de cargador/programador de ArduinoISP

Escudo de combinación de cargador/programador de ArduinoISP

recientemente comencé a interesarme en la construcción de robots basado en Arduino. Puesto que es un proceso traumatizante para desarmar cualquier creación, yo estoy optando para mina mantener vivito y coleando. Para reducir el costo de esta estrateg
Escudo de programación de Arduino AVR

Escudo de programación de Arduino AVR

Necesita una manera rápida y fácil programa AVR virutas. ¿Sabías que puedes usar el Arduino y el IDE de Arduino? Este escudo Arduino hace el proceso mucho más fácil.Puedes:Quemar un bootloader en un reemplazo Atmega328 para su UNO.Hacer un proyecto i
Todo en un programador AVR

Todo en un programador AVR

Hay mucha información sobre cómo cargar programas para Microcontroladores AVR, pero nunca he podido encontrar un lugar que tiene todo lo que necesito. Este es mi intento de crear un escudo de Arduino para programar ATtiny85, ATtiny84 y quemar el boot
Gestor de arranque de UNO en circuito programador $1

Gestor de arranque de UNO en circuito programador $1

/ * definiciones de estilos * / tabla. MsoNormalTable {mso-estilo-name: "Tabla Normal"; mso-tstyle-rowband-tamaño: 0; mso-tstyle-colband-tamaño: 0; mso-estilo-noshow:yes; mso-estilo-parent: ""; mso-padding-alt: 0 en 5.4pt 0 en 5.4pt; m
Escudo de programación de 8 pines

Escudo de programación de 8 pines

la pantalla de programación de 8 pines te permite programa ATtiny virutas de serie con el Arduino se como programador. En otras palabras, este enchufe su Arduino y entonces puede fácilmente programar chips de 8 pines. Estos microcontroladores pequeño