Paso 3: Enviar mensajes MIDI con Arduino - Hardware



Lista de partes:
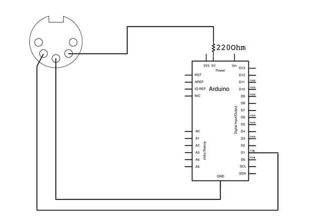
Conector de MIDI Digikey CP-2350-ND
Resistencia de 220 ohmios 1/4 watt Digikey CF14JT220RCT-ND
Otras partes
(1 x) Arduino Uno Amazonas
cable del usb (1 x) Amazonía
Protoboard (1 x) (este viene con los cables de puente) Amazonía
cables de puente (1 x) Amazonía
(1 x) MIDI a USB Cable Amazonas
Siguiendo el esquema anterior, suelde una resistencia de 220 Ohm al pin MIDI 4. Conectar toma de tierra pin MIDI 2 y 5V al pin 5 de MIDI. Si la numeración de los pines es clara, consulte las fotos de arriba.













