Paso 3: El hardware




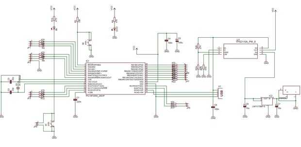
La base de datos del proyecto (diagrama esquemático y PCB en "águila" formato) están disponibles para descargar.
La oferta del proyecto:
Resistencias
21 x 470 ohmios SMD-R2012
1 x 510 ohmios SMD-R2012
2 x 10 KOhm SMD-R2012
1 x 27 KOhm SMD-R2012
Condensadores
2 x 22 pF SMD-C2012
2 x 100 nF SMD-C2012
1 x 220 nF SMD-C2012
2 x 10 uF SMD-085CS_1AR
1 x 100 uF SMD-085CS_1AR
ICs
1 Microchip de DIL28-3 x PIC18F2550_28DIP
OR 
1 x PIC18F2550_28W SO28W Microchip
1 x SOT223 LM1117IMP-5 Texas Instruments
1 x TPS2110A_PW_8 PW8 Texas Instruments
LED
1 x LED CHIPLED_0805 verde
1 x CHIPLED_0805 LED rojo
Cristal de cuarzo
1 x 20.000 MHz HC49/S
Interruptores
2 x micro Omron B3F-10XX
Conectores
puente del pin 1 x 2
header hembra de 2 x 4 pin 2,54 mm
mujer jefe de 1 x 7 pin 2,54 mm
1 x Jefe femenino del 8 pin 2,54 mm
1 x USB tipo B PCB Conector Berg de PN61729
1 x fuente de alimentación del gato del PWB de DC-21 MM			
