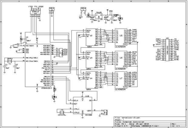
Paso 4: Hacer el controlador






Iniciar mediante transferencia de tóner para grabar un controlador PCB - la disposición para la transferencia de Toner se adjunta a este paso como un PDF.
Luego inserte los 3 enlaces en el lado de componentes del PCB. Debe tenerse cuidado para asegurar que no hay puentes de soldadura se producen durante la soldadura, enlazan a pistas adyacentes en el PCB. Uso de recortes de cables de componentes que han sido dobladas usando un par de alicates de punta para puentes. No es necesario utilizar cable aislado.
Continúa Asamblea insertando el IC Sockets, resistores y diodos 1N4004. Tenga cuidado con la orientación de las tomas de IC. Pin uno se indica con un pasador cuadrado en el PCB.
A continuación, inserte y el resto de los resistores, condensadores, regulador de voltaje 05 78L y los cristales en lugar de la soldadura. Una vez más, tenga cuidado que se utiliza la orientación correcta para los condensadores electrolíticos y el diodo. Ayudará a la foto siguiente.
.
Continuar la Asamblea mediante la instalación de los LEDs, 5 perno jefe, jefe del pin 6, jefe del pin 26 y los bloques 2 y 3 del conector de terminales. Los LEDs deben instalarse para que el plazo de ejecución corto (cátodo) se encuentra en la parte inferior de la placa (en el agujero cuadrado)
Finalmente, coloque los paquetes de IC. Ten mucho cuidado que la IC se orientan así pin uno es en el lugar correcto (que emparejan el agujero cuadrado en el PCB).
Completa el montaje del controlador.
El manual de construcción para el controlador es en mi sitio web www.dougswordclock.com













