Paso 4: Paso 4 Hardware interrupción - PIC18F1220 + LED, etc....

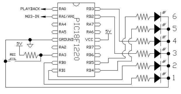
Estamos usando los pernos de la entrada-salida de RB0-RB5 de PORTB como salidas para alimentar los LEDs, perno de la entrada-salida de RA0 de PORTA como la salida que se utiliza para activar el conjunto de ISD1218 IC, RA1 como entrada analógica para el interno convertidor analógico a digital y RA3 como la entrada de la muestra. Tenemos un 10 k Ohm Levante resistencia en este pin, que guarda la entrada en alto hasta que se pulsa el botón de muestra; traer la entrada baja y activar la secuencia del programa. Las resistencias que limitan corriente el LED puede ser cualquier valor entre 200-600 ohmios. El PIC requiere un VCC de 5V (o VDD) y tierra (VSS).