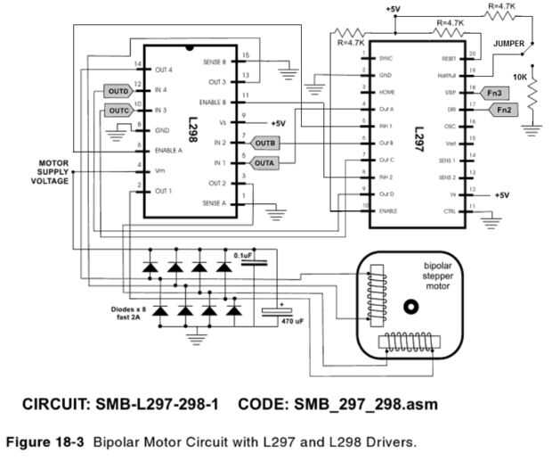
¿Paso 3: Puede usarse con un controlador Bipolar?

A la bobina de 8,1 Ohm entre el Pin 1 y Pin 2.
Bobina B de 8,1 Ohm entre el Pin 5 y el Pin 6.
Mirando la hoja de datos, me da la impresión que el motor no dibuja seria corriente con una fuente de 12V (clasificada por 230mA), pero usando ley de Ohm, calculo que una carga de 8 ohmios extraerá 1.5A de la corriente de una fuente de 12V.
Realmente espero que mis cálculos están equivocados ya que el conductor puede manejar corrientes nominales hasta 2A, pero no estoy planeando configurar las detección de la corriente y Chopper piezas de los circuitos, así que podría conseguir un poco peludo si corro en alrededor 1,5... ¿Cualquier comentario?
¿Ver el esquema que estoy planeando implementar y déjeme por favor saber si usted piensa que estoy creando encendedores de fuego en lugar de un controlador paso a paso...?