Driv'in Me Batty (3 / 25 paso)

Paso 3: esquema

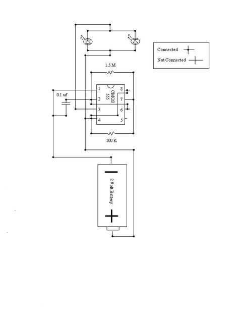
yo he dibujado el esquema lo más cerca posible a la forma en se pone hacia fuera en el tablero de proto para intentar hacer un poco más fácil de reproducir.
Si el esquema da usted difícil ver las otras fotos del circuito para tener una idea de como armarlo y pasar de allí.

Artículos Relacionados

USB Flash Drive pulsera

USB Flash Drive pulsera

en este instructable voy a mostrarte, cómo hacer tu propia pulsera de unidad flash USB. He visto algunos antes, pero nunca me gustaron los diseños. Mi objetivo era ocultar la unidad flash en la pulsera. Me decidí a hacer uno con hilo y después de una
Caso Flash Drive de madera

Caso Flash Drive de madera

Por lo tanto, he tenido este caso menos 8GB pendrive colgando alrededor por un tiempo. Es una unidad flash perfectamente usable, pero que carece de un caso, sencillamente porque mi perro masticada de la unidad de sí mismo, pero logró no daño la placa
Los auto-bancos Pen Drive

Los auto-bancos Pen Drive

Este famoso "meme" es gracioso porque es verdad.Estoy seguro que todos hemos experimentado este problema.Tratando de conectar el cable en un USB o un pendriveNo cabe, por lo que le da la vuelta alrededorTodavía no encaja, darle la vuelta otra ve
Wooden Doll Flash Drive Holders

Wooden Doll Flash Drive Holders

Today we are building a wooden doll capable of holding loose flash drives and various coversPaso 1: inspiración Lo que me inspiró para hacer esta muñeca era la compra de mi primer ordenador de Macintosh. Como otros Mac dueños sabrán el cable de alime
Fijar el Nvlddmkm Error (Display driver dejó de responder y se ha recuperado)

Fijar el Nvlddmkm Error (Display driver dejó de responder y se ha recuperado)

ACTUALIZACIÓN: Este instructable es cerca de 5 años ahora, pero este error aún persiste. Mientras que cualquier cosa podría estar causando esto, mostrará los pasos, errores de sobrecalentamiento y de conductor son un problema dominante. Quitar el pol
¿Iniciar una Guerrilla Drive-in (también conocido como MobMov)

¿Iniciar una Guerrilla Drive-in (también conocido como MobMov)

que siempre quisiste correr un ala del teatro al aire libre MobMov.org o la Santa Cruz Guerrilla Drive-in? Este instructable le dirá qué equipo necesitará y cómo configurarlo.Teatro urbano de Cyberpunk, aquí venimos!Paso 1: Lo que esta guía es para S
El driver ZVS

El driver ZVS

todo el mundo que esté interesado en alta tensión de la manada sobre el driver zvs para el transformador flyback.Partes:2 x n-fet IRFP250diodos zenner de 12v x 2resistencias 2 x 470 ohmiosresistencias de 10kohm x 2diodos rápidos 2 x 400v1 x inductor
Drive Motor Brushless de CD-ROM con Arduino + 3 transistores Mosfet

Drive Motor Brushless de CD-ROM con Arduino + 3 transistores Mosfet

A motor de dc sin escobillas BLDC es un tipo de motor sin cepillo de cualquier. Significa que no hay ninguna conexión directa (cepillo) entre la rotación del husillo y otras partes fijas como como bobina. Por lo que es la producción de cambios en la
Estirador Drive Gear Shootout

Estirador Drive Gear Shootout

En el proceso de actualizar mi impresora 3D y preparándose para construir mi propia, decidí que necesitaba también para el diseño de la extrusora ultimate. Antes de que tomé un estilo general para el diseño, quería determinar que tenía el mejor agarr
Como ir a un cine drive-in en estilo

Como ir a un cine drive-in en estilo

cine drive-in es raros en este día y edad, pero por suerte hay uno cerca. El teatro del oeste viento Solano es un gran lugar para un coche de película. Vimos con 1 hombre y 2 allí y VI Spider-man 3, Kung Fu Panda, Cómo entrenar a tu dragón, el ladrón
Usando el TB6612FNG Dual Sparkfun Motor Driver 1A - guía del principiante

Usando el TB6612FNG Dual Sparkfun Motor Driver 1A - guía del principiante

como un principiante, me esforcé por encontrar un sistema de ventanilla de instrucciones para poner en marcha con Motor Driver 1A TB6612FNG Dual de Sparkfun.  Este tablero de conductor del motor arranque es excepcional, es bien pequeño, pero necesita
¿Cómo construir un Simple pero potente Flyback Driver

¿Cómo construir un Simple pero potente Flyback Driver

cansado de chispas púrpura poco? ¿Quiere más chispas más calientes? Intente:La ZVS Flyback DriverProbablemente es el driver del transformador flyback más potente y eficaz que fue bastante recientemente inventado por Vladmiro Mazilli. Utiliza resonant
USB Flash drive caso Sugru

USB Flash drive caso Sugru

hacer un nuevo caso personalizado para tu USB flash drive.Paso 1: Materiales reunir Se reúnen los materiales necesarios.  Impulsión del flash del 1, 1 o más paquetes de Sugru.Paso 2: Caso quitar Este paso es opcional.  Retirar la carcasa de la unidad
Elegante Flash Drive de madera

Elegante Flash Drive de madera

nunca me han gustado los casos que la mayoría de unidades de Flash, son voluminosos y vago feo y los aspecto agradables tienden a ser así costosos.  Así que cogí un genérico 8gb PNY Flash Drive de grapas (a la venta!: D) por 11 dólares, con la intenc