Paso 11: circuitos



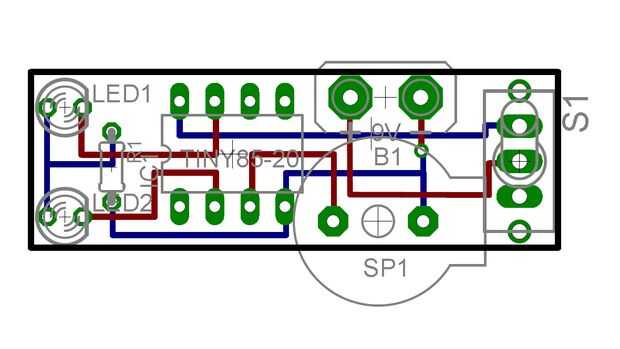
Adjunto es el circuito que hice para celebrar el ATTiny85.
El archivo fue hecho en CamBam. Mi PCB donde grabado mecánicamente utilizando un router CNC. Grabado químico probablemente sería más fácil.
También es archivo RAR llamado "EagleFilesAndSchematics" que tiene los archivos de Eagle y así como el PDF para un diseño de tablero de dos capas (BOARD2.pdf) y los esquemas (SCH2.pdf) fotografiado de arriba.
Por favor descargue los si estás acostumbrado a utilizar Eagle para el diseño de la electrónica.
Tuve un ingeniero eléctrico con décadas de experiencia mirada sobre mi diseño y confirmar que es sonido. Diseñó los planos para mí en águila. Él hizo un cambio a mi diseño en que el esquema tiene el interruptor conectado al borne positivo de la batería para completar el circuito sobre la pata 8 de ATTiny85 (VCC). También su diseño de PCB es de doble cara. Ambos PCB es 0,5 pulgadas por 1.5 pulgadas.
El PCB se puede hacer para caber dentro de la funda interior. Si el diseño de PCB es demasiado grande, hágamelo saber y yo puedo reducir por algunos más. La única limitación es el tamaño de la ATTiny85 sí mismo.
Esta es la ficha técnica para el ATTiny85:
http://www.Atmel.com/images/Atmel-2586-AVR-8-bit-Microcontroller-ATtiny25-ATtiny45-ATtiny85_Datasheet.pdf
Por favor, preste mucha atención al esquema ATTiny85 datasheet "Asignacion de terminales". Las piernas físicas no son correspondientes a los números de pines. Es PIN 2 no 2 de pierna en la viruta de la inmersión. La asignación de pines es la siguiente:
PIN1 = leg6
PIN2 = leg7
PIN3 = leg2
PIN4 = leg3
Pierna 4 es tierra
8 la pierna es VCC (positivo a la batería)
Aquí hay un video de mi haciendo un PCB mecánicamente:
Grabado de PCB es reflejado ya el chip y la mayoría de los componentes en la parte posterior del PCB. Por esta razón el "1" es al revés.












