Paso 4: Arduino





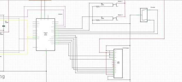
Esta es una breve explicación sobre los componentes de la Arduino utiliza y se comunica con. También puede encontrar una foto del esquema de todo el circuito. También se adjunta el archivo PDF, es un archivo Fritzing. Utilicé el software Fritzing solamente a dibujar el esquema, y entonces yo había soldado a mano. Puede abrir para ver el esquema con más detalle.
El controlador principal que utilizo para gestionar los sensores y enviar MIDI a mi computadora es Arduino. Probablemente, si estás leyendo esto, usted tendrá algunos conocimientos sobre él. Si no, usted debe familiarizarse con lo en conocimiento propio, como algo básico es necesario seguir este paso. Usted puede aprender todo sobre Arduino en su página web: está lleno de tutoriales y diferentes proyectos realizados por los usuarios: http://arduino.cc/
El Arduino se comunica con el MPR121 sensor capacitivo es la comunicación I2C. Es un bus de comunicación serie 2 líneas: línea de datos y un reloj. Arduino tiene ya una biblioteca para hacer este tipo de autobús fácil de usar. Se llama la biblioteca de hilos. Aquí encontrarás todos los comandos que necesita utilizar este tipo de comunicación: http://arduino.cc/en/pmwiki.php?n=Reference/Wire. La forma de que la información se comparte entre el Arduino y el sensor se explicará en el siguiente paso.
Utilizar un LCD, un codificador y botones de control con el Arduino. El codificador y los botones son fáciles de usar, podrá fácilmente encontrar algunos tutoriales sobre ello en la Web de arduino, si todavía no sabes cómo hacerlo. La forma para conectar una pantalla LCD con Arduino y cómo visualizar texto usando la biblioteca de cristal líquido, es muy sencilla y se explica aquí: http://arduino.cc/en/pmwiki.php?n=Tutorial/LiquidCrystal
Como expliqué anteriormente, yo uso la memoria EEPROM de arduino para salvar los valores del umbral táctil y suelte de cada pin de cada plantilla diferente. Y otra vez, Arduino tiene una biblioteca específica para su memoria EEPROM, que hace que sea muy fácil de usar. Sólo tienes que seguir las instrucciones aquí para aprender a escribir los valores en la EEPROM y leerlos más tarde:
http://Arduino.CC/en/PmWiki.php?n=Reference/EEPROM
Y por último, el paso más importante: Cómo utilizar Arduino como controlador MIDI. Arduino también tiene una biblioteca específica para MIDI: http://playground.arduino.cc/Main/MIDILibrary
Puede incluir mensajes MIDI en un sketch de Arduino y subirlo, pero el problema es que los programas que usan MIDI (como Ableton Live o cualquier otro DAW) no reconocerá tu Arduino, así que tendrías que usar otro programa como un puente entre el Arduino y el programa de host.
Hay una solución a esto: HIDUINO. No me preguntes acerca de cómo funciona, pero lo que sé, básicamente un nuevo firmware se carga en el Atmega 16u2 chip que utiliza Arduino. Esto hace que Arduino ya no es un Arduino: se convierte en un controlador USB-MIDI y por lo tanto es reconocida como cualquier otro controlador MIDI por el software de host. La desventaja de esto es que no se puede cargar nuevo bosquejado mientras se carga el firmware HIDUINO. Más información aquí:
Si no tienes un programador ISP, debe aprender a convertir tu Arduino en un dispositivo de MIDI aquí:
https://github.com/ddiakopoulos/hiduino/wiki/HIDUINO-Via-DFU-Method