Paso 2: Esquema y descripción del circuito



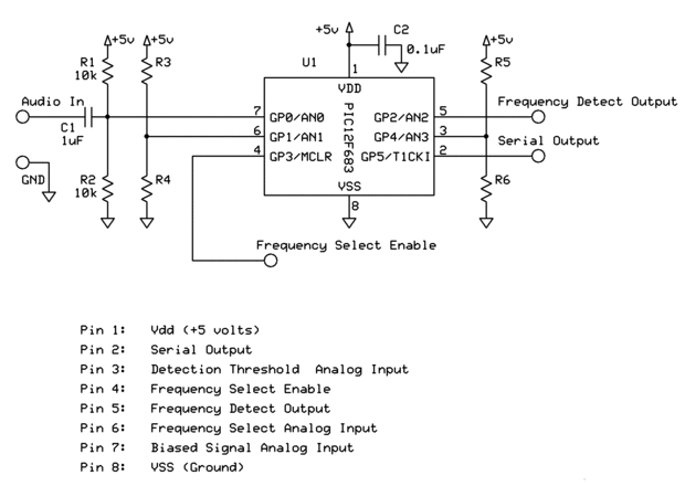
La conexión con la etiqueta + 5V debe conectarse a una fuente de alimentación regulada de 5V, como la salida del circuito de regulador LM7805.
El convertidor A/D mide tensiones entre 0V y la tensión de alimentación VDD, que generalmente es de 5 volts. La entrada analógica puede ser una señal que oscila por encima y por debajo de 0 voltios, por lo que su forma de onda tendrá partes positivas y negativas. Para muestra la forma de onda de entrada con el convertidor A/D, la señal de entrada debe ser cambiado de puesto. El divisor de tensión creado por las resistencias R1 y R2 establece el sesgo en la mitad de la 0 a gama VDD A/D de entrada. Las parejas la entrada de CA del condensador C1 señal a la entrada del A/d, así que ahora los cambios de forma de onda de entrada sobre ½ VDD en vez de hacer pivotar alrededor de 0 voltios, como se muestra en las gráficas siguientes.
R3 y R4 forman un divisor de tensión utilizado para ajustar la frecuencia de la blanco. El procesador lee el voltaje en el pin de selección de frecuencia y el valor utiliza para determinar los coeficientes correctos necesarios el algoritmo para determinar si la frecuencia de la blanco está presente.
R5 y R6 forman un divisor de voltaje que se utiliza para establecer el umbral de detección. Esto permite al usuario seleccionar la magnitud de la salida del algoritmo que es necesaria para que el programa Active la salida alta. El procesador lee el voltaje en el pin de umbral de detección y el valor utiliza para determinar el umbral de detección.
C2 es un condensador de desemparejamiento utilizado con el microprocesador para mantener el suministro de VDD sin picos.