Paso 5: electrónica





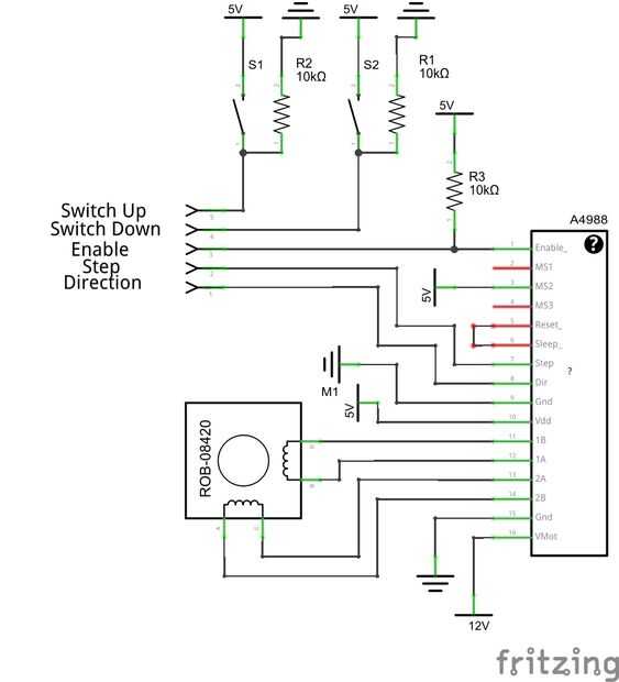
Microcontrolador el reloj necesita algo que tiene 5 I / de O y un regulador de potencia. Usé una baratija, que robaron de mis luces de borde de la bicicleta (no delantero rueda ya :() Él tiene 5 I / O de, pero requieren cierto planeamiento cuidadoso, porque no todos I / O responde lo mismo. 3 y 4 no se puede utilizar con seguridad como entradas. Para ejecutar el motor paso a paso, uso un stepstick A4988 controlador de motor paso a paso. Hay 2 botones en el reloj para hacer el tiempo de subir y bajar.
Hice mi circuito en un pedazo de tablero de prototipo. No planeo hacer más de ellos, y es más rápido que hacer un PCB. Realmente no puedo compartir un diseño, porque no había ni uno, pero si sigues el esquema, debería ser bastante fácil de replicar. El voltaje de entrada (9-12 v) debe ir al pin Vin o VBat de microcontrolador. 5V proviene del microcontrolador.
Para conseguir la energía al reloj, usted puede escoger uno de dos enfoques. En primer lugar, usted puede tratar de ocultar el hecho de que existen los cables de corriente al reloj, en segundo lugar, usted puede hacer bastante. He tratado de ocultar los cables mediante el uso de alambres muy finos blanco para alimentar el reloj. La corriente a estos cables en promedio no será sólo alrededor de 50 mA, por lo que habrá problemas.