Paso 4: Esquema y cableado hasta





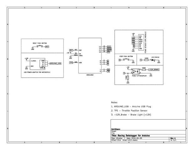
Como se puede ver que el esquema es bastante sencillo.
- El adaptador de corriente USB para motos engancha directamente a la batería de tu coche/moto. Internamente está fusionada para proteger el circuito (no dibujado en el esquema). Del adaptador usted ahora puede conectar a tu Arduino a través de USB, pero no lo hace todavía.
- Pila de iTead Studio GPS Shield en la parte superior su Arduino. Asegúrese de que usted mueva el interruptor a la tensión correcta, lo más probable es 5 v como se muestra en el esquema. Pin Digital set 0(D0) como TX y Pin 1(D1) como RX con los puentes que vino con el kit. Vea la foto del escudo para la confirmación. Esto es una trampa fácil para los principiantes porque en el Arduino, D0 es RX y D1 es TX. Esto sólo significa que iTead Studio escudo es transmitir datos de D0 y el Arduino va a recibir en D0 y a la inversa para D1. Ahora, poner la tarjeta MicroSD en la ranura y asegúrese de que está formateado a FAT o FAT32.
- De aquí encendido hacia fuera, figura hacia fuera donde usted quiere poner su Arduino junto a donde desea colocar su GPS, interruptores de botones y LED así que usted puede planificar su longitudes de cable de antena. Los interruptores de botón deben ser fáciles acceso LED debe ser visible y antena GPS expuesta por lo que tiene mejor recepción.
- Una vez que se dio cuenta de que todos podemos llegar a la diversión cosas. Toque en el alambre TPS ha marcado anteriormente, usted puede cualquier uso un conector T-Tap o corte y resoldar, que dejo a usted. Lo mismo para el cable de luz de freno.
- Protoshield encima el iTead Studio GPS Shield y el optoacoplador y resistencias de la pila, ver fotos y esquemas/documentación para referencia.
- Ahora conectar el interruptor de botón de reset a la pin(RST) de reset de la Arduino y la tierra.
- Lo mismo para el pulsador de parada pero al Pin Digital 6(D6) y masa.
- A continuación, conectar la resistencia y el LED Digital Pin 4 (D4) y tierra.
- Por último, atornillar la antena GPS.