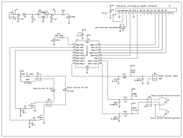
Paso 2: Descripción del circuito

Fuente de alimentación
U4 es un regulador de 5 voltios usado para producir los 5 voltios regulados "VDD" fuente para el microprocesador. C1 y C2 son los capacitores de filtro de entrada de U4, utilizado para estabilizar el voltaje de entrada. C4 es un capacitor de filtro de salida de regulador U4, utilizado para estabilizar el voltaje de salida. LED1 es un indicador de "poder sobre", y R43 limita la corriente a través de LED2.
Microprocesador
El microprocesador U1 supervisa los dos sensores, medidas el tiempo transcurrido entre la ruptura de los dos sensores y configura los resultados por pantalla del módulo LCD. C14 es el condensador de puente para la entrada VDD del microprocesador.
Un interruptor de reset se incluye, por lo que se puede reiniciar el programa para otra medición sin tener que quitar la alimentación al circuito. R12 mantiene la entrada reset del microprocesador tirada alto cuando no se pulsa el botón. R11 y C16 forman un filtro paso bajo para evitar que el microprocesador está restableciendo debido al ruido eléctrico. C17 es detener cualquier picos ESD que pueden aparecer las líneas del conmutador. J5 es el conector para el interruptor de reajuste momentáneo de SPST en el panel frontal.
LED1 es un indicador de propósito general que se monta en el panel frontal. Puede ser utilizado para proporcionar retroalimentación al usuario para indicar cualquier condición que puede ser necesario. R15 es el resistor limitador actual de LED2
Interfaz del sensor de
Cada par de sensor consiste en un LED infrarrojo y un fototransistor. La pareja se monta para que la luz desde el LED brilla a través de la tubería para el fototransistor en el otro lado. Cuando el fototransistor es iluminado por el LED, es "ON" y tira su colector baja. Cuando la viga se rompe y el fototransistor no se ilumina, se convierte en "OFF" y su colector es tirado alta por el levante de resistencia en la placa.
IR LED coche
Los LEDs infrarrojos se encuentran en el montaje del sensor. El microprocesador puede convertir cada IR LED encendido o apagado. Una vez que se hayan disparado los sensores de ambas, ya no hay una necesidad de los LEDs que se ilumina, para que se apague en ese momento. Esto no es estrictamente necesario, pero ya que la unidad es con pilas esta característica se incluyó para prolongar la vida útil de la batería.
R38 y R30 son actual limitación resistencias para los LEDs infrarrojos. Q1 y Q2 se utilizan para apagar los LEDs. R6 y R8 se baje resistencias o las puertas de Q1 y Q2, mantener apagado cuando los pines de microprocesador están flotando durante el reset. R7 y R9 no son estrictamente necesarios, pero se incluyen aquí para limitar cualquier problema con el timbre de la puerta cuando los FETs están activados o desactivados. Puede sustituirse con los cables del puente si no hay problemas con el sonido.
Fototransistor IR entradas
Los fototransistores se encuentran en el montaje del sensor. Cuando el LED infrarrojo y la viga no esté obstruida, el microprocesador lee la entrada tan baja. Cuando la viga se rompe, el fototransistor se apaga y tira de un tirón para arriba del resistor en el PCB los microprocesadores entrada alta.
Conector J4 es la conexión a los colectores de los dos sensores de fototransistor. R20 y R24 son el Levante los resistores que tire de la entrada al microprocesador alta cuando el fototransistor está apagada, como cuando se rompe el rayo. R19/C20 y C22/R23 son filtros de paso bajo en las entradas de sensor utilizados para quitar cualquier falsa alarma debido al ruido.
Módulo del LCD
Los resultados de la sincronización aparecen en un personaje de 20 X 4 LCD. Este tipo de LCD se utiliza para mostrar sólo los datos de carácter. La interfaz es paralelo, y puede ser configurado para 4 bits o de 8 bits. Se utilizó el modo de 4 bits, por lo que se necesitan menos pernos del IO del microprocesador. Además de las líneas de 4 datos, hay una línea llamada RS y otra llamada E que forman parte del proceso de envío de datos o comandos a la pantalla LCD.
Un potenciómetro, R10, se utiliza para controlar el contraste de la pantalla LCD. C15 es un condensador de puente en los pines VDD del módulo LCD.