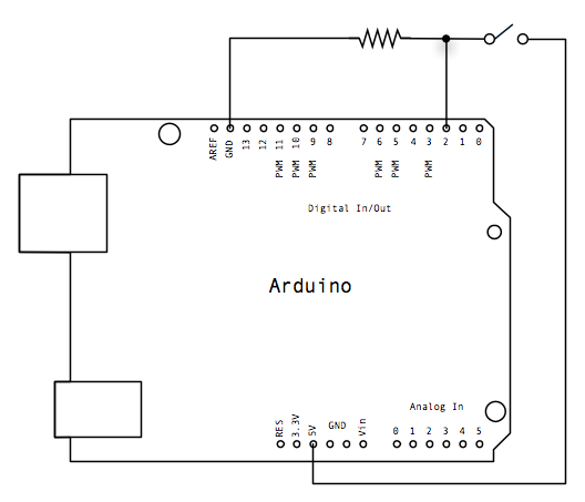
Paso 3: Conexión del fotón partícula al botón y botón LED





Ahora, vamos a soldar y conectar algunos cables, la diversión parte. Para los cables, utiliza algunos cables de puente mujer, cortar por la mitad y soldar un extremo para las piezas de botón. Necesita hacer estas conexiones:
- D0 en partícula fotón, el Pin de entrada de botón, está conectado a los pines del botón como se muestra en la imagen
- El pin de botón que señala el estado de alta y baja está conectado a GND de la partícula. Como el LED cableado requiere tierra, también (aquí GND está en el eje izquierdo para el pic de botón) el resistor está conectado a ese pin GND y por lo tanto podemos ahorrar un cable.
- El pin GND del LED está conectado a GND en el fotón partícula
- D1 está conectado al pin de alimentación del botón LED, aquí el pin de la derecha.
- 3V3 está conectado con el segundo botón PIN, por ejemplo, el pin superior cuando el botón se ve de frente. Cuando se presiona el botón, energía está fluyendo desde el botón superior pin con el conector de señal en el parte superior del botón, lo que resulta en una señal de alto.
Si eres un poco inseguro sobre el cableado adecuado botón (hay diferentes formas de alambre de un botón, también),

. Se muestra el cableado de un típicamente baja botón, que va arriba al presionar, al igual que en nuestro caso.
Un paso opcional, que es un poco complicado, es separar el botón LED y la combinación LED/resistor de intercambio. De forma predeterminada, el LED en el botón está conectado a un resistor adecuado para 12V. Como sólo tenemos voltios de 3c3, el PIN del LED D1 encendido es casi invisible. Tan trate de girar el interruptor del botón ligeramente, hasta que se suelte el botón. Luego quite la parte superior, que contiene el LED. Sacar con cuidado el LED por enderezar los pines del LED, entonces usted verá que una pierna tiene una resistencia soldada directamente a él. Desoldar la resistencia y sustituirla por el resistor de valor inferior, por ejemplo, el resistor de 47 ohmios. Poner todo junto otra vez.
En este punto, ya estamos listos para entrar en la parte de software!