Paso 7: Soldadura parte 2: los registros de desplazamiento


Después de soldar los transistores debemos añadir registros de cambio y conectar las salidas con las bases de los transistores.
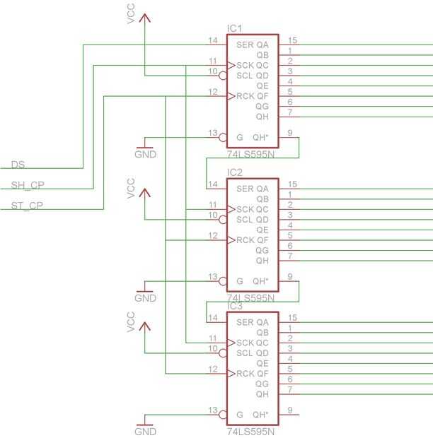
Porque yo tenía 21 botones que presionar y un registro de desplazamiento tiene 8 salidas que necesitaba 3 de ellos para hacer el trabajo. Si tienes botones de 16 o menos sólo necesita 2 registros de desplazamiento.
La primera foto es el esquema del circuito que ahora vamos a añadir. A la izquierda están las entradas que se abordarán más adelante por el arduino. A la derecha son las salidas que deben ser conectados directamente a las resistencias de los transistores. El cambio del 74hc595 esquemáticas 3 registros con cierres de salida que están en una configuración de la cadena, lo que significa que la salida serial del primero está conectada a la entrada de datos de la segunda y así sucesivamente. Esta forma sólo necesitamos un cambio de dirección registro para acceder a las salidas de todos los demás. Porque todo cambio los registros deben ser sincronizados, sus pernos de reloj necesitan estar conectado con otros así. Estos son los pin de reloj de registro de cambio (SH_CP) y la clavija de enganche de reloj (ST_CP). Los términos SH_CP, ST_CP y DS (para los datos de entrada) se derivan de esta hoja de datos.
No dude de la soldadura de los registros de turno a la Junta de perf como quieras, pero te recomiendo hacia el lado de las salidas a las resistencias, si usted alinearon las resistencias como lo (ver segunda foto).