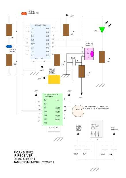
Control remoto IR de PICAXE Micro

el propósito de este blog es mostrar cómo un mando IR a un procesador PICAXE - 18M 2 para robótica o automatización de la interfaz. Mandos a distancia universales son baratos (¿qué casa no tiene algunos de ellos)? El código es muy simple. Plan sobre el uso de este para controlar un pequeño tanque robótico.

Artículos Relacionados

Hacer un anillo de Control remoto

Hacer un anillo de Control remoto

movimiento de un dedo o una mano puede controlar un robot, PC, TV u otro dispositivo. Este botón menos mando anillo mide el movimiento humano para hacer funcionar dispositivos.Para posibles usos para los enfermos o deteriorados, consulte el paso 8.El
Control de PC remoto usando Arduino Pro Micro

Control de PC remoto usando Arduino Pro Micro

Hola soy nuevo a arduino y en el proceso de aprendizaje, como muchos que aprender mediante tutoriales, videos, ' ibles y por propia experiencia.Recientemente quise usar arduino Uno y IR remote para el control del reproductor VLC. Lamentablemente esto
Papel avión-TV mando a distancia con control remoto

Papel avión-TV mando a distancia con control remoto

Crear un avión de papel controlada remota controlado por televisor medio remoto. Super divertido y barato para hacer!Paso 1: Para el paso 1, usted debe obtener todos los materiales: una pequeña li-poli batería (3,7 voltios), un trozo de PCB, motor el
Lámpara estrella de la muerte IKEA con control remoto

Lámpara estrella de la muerte IKEA con control remoto

Siendo Ingeniero yo no pude resistir añadir control remoto a esta lámpara extensible manualmente que vi en IKEA, sin importar el costo. En este proyecto he reemplazado la cadena tire con varilla roscada M3 y motor de la C.C., agrega un microcontrolad
Siéntase como un control remoto de TV controlados Arduino Robot!

Siéntase como un control remoto de TV controlados Arduino Robot!

Hola chicos.Abhay y Akshay aquí!Hoy que vamos a hacer una televisión remota controlada por Robot que no sólo funciona como un encanto pero también puede actualizar editando el código y utilizando unos botones más en el control remoto de TV. También p
Control remoto de TV mesa de centro

Control remoto de TV mesa de centro

¡ Hola!Así que tuvo esta idea hace un tiempo y pensé que sería encontrar cosas similares en línea, pero vueltas por ahí son un montón de información sobre ese tipo de proyecto. Hace unas semanas encontré el Instructable de mesa remoto por russm313 (
Control remoto vía GSM/GPRS SMS(Arduino)

Control remoto vía GSM/GPRS SMS(Arduino)

control remoto, especialmente cuando este no ethernet o Wifi en el exterior, ha sido una cosas muy profundas en el pasado. Cuando era un niño, siempre imagen que yo tengo un equipo que puede controlar todos los electrodomésticos. Ahora, esto se convi
Aviones de papel con control remoto TV

Aviones de papel con control remoto TV

Me encanta todo lo que vuela. En mi infancia hice un montón de aviones de papel, pero tienen un gran problema. Después de algunos minutos caen. Así que ahora he diseñado un pequeño dispositivo que permite controlar la velocidad y la altura de su avió
Aplicaciones de IoT industrial - calidad del aire control remoto + Sensor de CO2 control

Aplicaciones de IoT industrial - calidad del aire control remoto + Sensor de CO2 control

** Actualización: El siguiente artículo es de nuestra aplicación Android obsoleta! VALARM es Industrial IoT. Ayudaremos a sus equipos y su empresa con aplicaciones de IoT Industrial utilizando Herramientas de nube de Valarm.Se recomienda utilizar dis
Control remoto cortacésped

Control remoto cortacésped

este proyecto nace después de hablar con unos amigos una noche. Construir una cortadora de césped de control remoto utilizando como gran parte de las piezas de los estantes como tuve y comprar menos.Este cortacésped tiene adelante - reversos comandos
Extensión de multipunto de control remoto IR

Extensión de multipunto de control remoto IR

Este proyecto surgió debido a mi empresa de cable la gente cambia a todo digital. Como la mayoría de la gente había sido reemplazar sus televisores con LCD digital listo en los años por lo que no resolver esto sería un problema mayor. PERO... sistema
MediaCenter simple y Control remoto con facilidad de uso mejorada

MediaCenter simple y Control remoto con facilidad de uso mejorada

Sí, es otro en bricolaje PC-centro de medios (o HTPC), pero con una característica única: es muy simple de controlar, por lo tanto muy adecuado para personas mayores, personas con discapacidad, o simplemente perezosos usuarios.De Wikipedia:"- La noci
Aerodeslizador de carreras de control remoto

Aerodeslizador de carreras de control remoto

• ResumenEl aerodeslizador gigante, potente en la película rojo Bronx nos han emocionado durante mucho tiempo. Recientemente, la Universidad convocó un concurso de aerodeslizador. Hicimos un control remoto de aerodeslizadores y ganó el primer lugar e
Etiqueta láser control remoto universal

Etiqueta láser control remoto universal

Explosión a tus amigos por horas y horas con este láser personalizada etiqueta de sistema. ¿Que tiene que pagar para jugar en un estadio cuando usted puede hacer su propio juego? Mejor de todo, ningún equipo especial es necesario, porque las "armas&q