Paso 5: Montar el motor y el ventilador de elevación










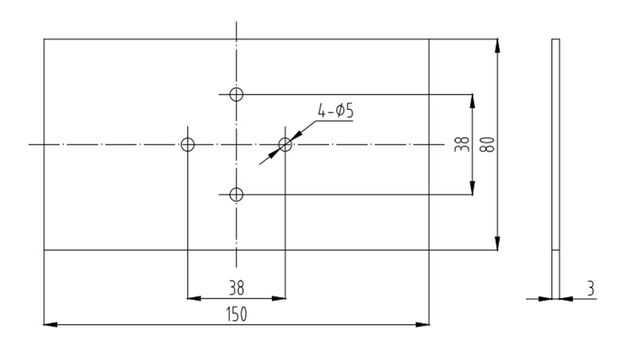
1. corte un 150 * 80 * 3 mm tablero desde el panel de madera de balsa. Perfore cuatro agujeros en el tablero.
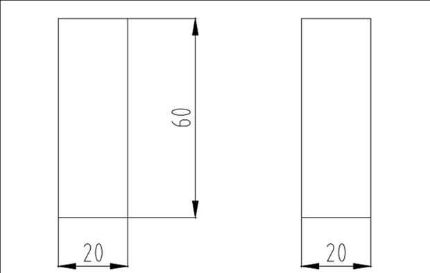
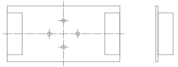
2. corte cubos de espuma de dos 60 * 20 * 20 mm. Dos cubos en el mismo lado de la Junta de madera del pegamento
3. Instale la parte A, B y C para montar el ventilador de elevación del motor azul.
4. Monte la plataforma del motor azul por cuatro tornillos M-3. Luego, arme el motor azul al tablero de madera cuatro tornillos M-3.