Paso 6: Fije el volante motor y la hélice











Parte A: montar el volante motor
1. montar cuatro tornillos M-2 en la plataforma y montar la plataforma para el volante motor por un tornillo M-3.
Aviso: Tenga cuidado con el ángulo de giro del volante motor.
Parte B: montar la hélice
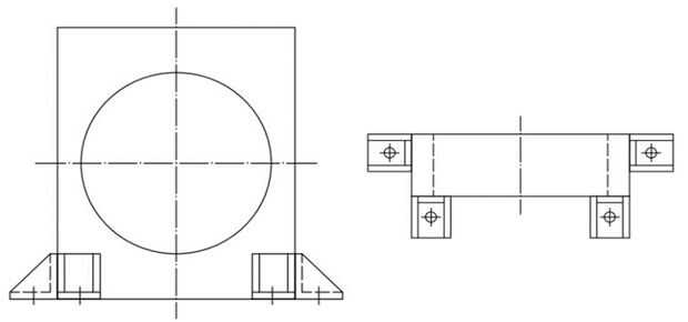
1. corte un 100 * 30 * 120 m m bloque de espuma y corte un diámetro del agujero del bloque.
2. fijar la hélice en el agujero.
Parte C: Conecte la hélice con el motor de dirección.
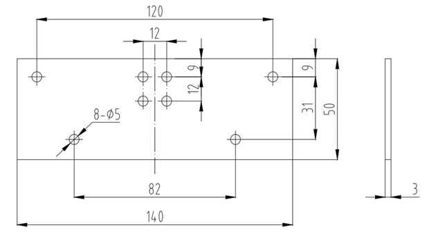
1. corte un 140 * 50 * 3 m m placa desde el panel de madera de balsa. Ocho perforaciones.
2. heces de cuatro pies sobre el bloque de espuma del pegamento.
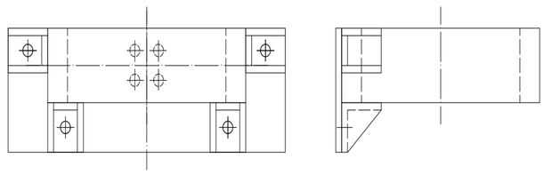
3. Conecte el tablero de madera y el bloque de espuma 4 M-4 tornillos y tapones.
4. Conecte el tablero de madera y el volante motor insertando los tornillos en el bloque de espuma.