Paso 4: Construcción de una pantalla de charlieplexed







El ATTiny85 que ejecutará el contador tiene 8 pines. Uno es para VCC, uno para tierra y uno es un RST (reset). La primera posibilidad de disponer como un pin utilizable, pero a costa de lo ATTiny no ser fácilmente reprogramable. Esto nos deja con cinco pines de entrada o salida. Necesitamos dos pasadores para leer la barrera de luz IR y la resistencia de luz para el interruptor del láser. ¿Cómo se pueden con 6 LEDs con 3 patas? La respuesta es Charlieplexing. Básicamente se aprovecha de la posibilidad de cambiar no sólo entre alto y bajo estado de salida pero también con el estado de entrada de cada pin. Cada LED solo puede accederse poniendo su ánodo al alta y su cátodo a la baja y apagar la tercera línea totalmente colocando a la entrada. Puesto que un LED sólo funciona en una dirección otro LED puede soldar a los pines de la misma en dirección opuesta sin ser iluminado. Por lo tanto, no puede tener ambos LEDs al mismo tiempo pero se pueden cambiar los Estados de alta y baja de las patillas tan rápidos que el ojo humano lo perciba como si ambos se encendieron al mismo tiempo. Lo mismo se aplica para todos los seis LEDs de iluminación (casi) al mismo tiempo. Es la teoría de mi parte. Encontrará más información siguiendo estos enlaces:
Charlieplexing-LEDs-teoría de la
Charlieplexing el Arduino
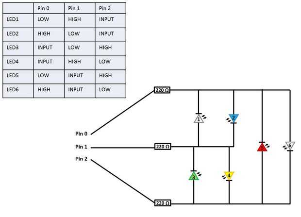
La figura 1 muestra el esquema que tendrás que soldar el "display". La tabla explica cómo configurar los pines para cada LED de la energía. Tal exhibición de soldadura es un lío. Empecé con soldar los LEDs y las resistencias (usé 220 ohmios, pero depende del tipo de LED). El LED (número 6) es un poco más a la derecha.
Entonces cable de pierna a resistencia siguiendo el esquema anterior. He añadido dos fotos del andg cables la parte posterior soldada pero te probablemente no parece demasiado fácil de seguir. Siguiendo el esquema funcionó bien para mí.
La pantalla se sentará en la parte trasera de la cubierta frontal, dentro de la caja con el LED hacia el exterior. Mide el centro de la cubierta y de la pantalla y me perforó seis agujeros (3mm) donde los LEDs brillan. Me di cuenta que el alambre y las resistencias fueron de la manera. Así utilicé una herramienta Dremel para tallar hacia fuera una hendidura.
Actualización: Teniendo en cuenta el consumo de energía, me di cuenta de que la luz infrarroja barriere será el consumidor más exigente si estaban encendido constantemente. En realidad, la barrera de luz sólo se controlará cada 250ms - por lo que no es necesario que el LED IR corriendo todo el tiempo. Por lo tanto decidí descartar el dígito más a la izquierda de la pantalla y usar el pin virtual gratis de LED para encender y apagar el LED IR.