Paso 3: Cargar un Bootloader


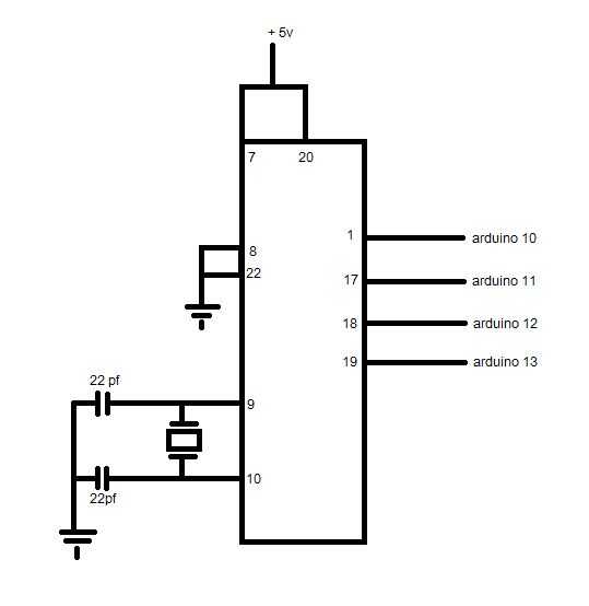
Aquí es cómo subir un gestor de arranque para el IC de ATmega. Necesita un arduino UNO para este paso. Seguir el circuito como se ve arriba y soldar las piezas en el tablero de pref, no tienes que conectar los reguladores de tensión en esta etapa como el arduino proporcionaría la energía necesaria.
Primero para que no comience con la configuración de nuestro arduino UNO como ISP, esto se hace porque desea que el arduino para subir el bosquejo a la IC ATmega y no sí mismo. No conecte el ATmega IC mientras el debajo de carga está funcionando.
- Conectar el arduino a un PC
- Abra el IDE de arduino
- Abierto > ejemplos > ArduinoISP
- Añadir sketch