Con un Sensor de temperatura (2 / 7 paso)

Paso 2: Montaje del Hardware - conexión de los cables

Coloque un negro y un cable rojo sobre la protoboard. Conecte el cable rojo a 5V en el Arduino y el cable negro está conectado a GND.

Artículos Relacionados

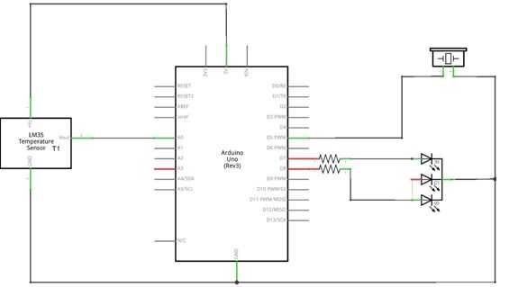
Arduino LCD termómetro con LM35 Sensor de temperatura

Arduino LCD termómetro con LM35 Sensor de temperatura

: actualización del PIN 13: gracias a cybersbpara la captura.El Fritzing esquema muestra el uso de los pines 12 y 13. Esto no se corrige. Debe usar los pines enumerados en el código, los pines 11 y 12.Esto es como el título lo indica, un Arduino powe
Registro de datos de tarjeta SD con el Sensor de temperatura humedad DHT22

Registro de datos de tarjeta SD con el Sensor de temperatura humedad DHT22

Este es un tutorial explicando cómo hacer el registro con el Sensor de humedad de temperatura DHT22 por nuestro cliente Steve Spence.Esto es un poco complicado, como el sensor salidas flotadores y enviamos cadenas a la tarjeta SD, he puesto juntos un
Termómetro digital en pantalla OLED con sensor de temperatura NodeMCU ESP8266 ESP-12E y DS18B20

Termómetro digital en pantalla OLED con sensor de temperatura NodeMCU ESP8266 ESP-12E y DS18B20

En mi anterior instructable le di una introducción a la ESP8266 y la programación con nuestro IDE de Arduino familiar.En este instructable voy a ir un paso más allá, conexión de un sensor digital de temperatura DS18B20 y mostrar la temperatura en gra
Sensor de temperatura DS18b20 como termostato

Sensor de temperatura DS18b20 como termostato

Este Instructable muestra cómo construí el termostato de mi casa-asistente usando un ESP8266 y MQTT con un sensor de temperatura DS18b20.Parte 1 de este build es construir a un sensor de temperatura usando un DS18b20 - el video muestra cómo construí
LinkIt uno + Sensor de temperatura

LinkIt uno + Sensor de temperatura

Este Tutorial muestra cómo utilizar un linkit uno con un sensor de temperaturaPaso 1: Conecte el Sensor de temperatura Conecte el sensor al pins 3.3v y GND A0Paso 2: Cargar códigoSi no sabes cómo instalar LinkIt código clic aquíEste es el código que
Sensor de temperatura LinkitONE

Sensor de temperatura LinkitONE

Hola amigos que todos pueden encontrarlo fresco, trabajando con el último gadget electrónico avanzado. Uno de él es el "LinkitONE" un regulador principal. Habéis oído hablar sobre él. Mediante el uso de un LinkitONE trabajo con gadget convertido
Cartografía de los manglares Wireless Sensor de temperatura

Cartografía de los manglares Wireless Sensor de temperatura

los manglares son muy sensibles a cambios de temperatura con el tiempo. Queremos medir el aire y la temperatura del agua alrededor de los árboles de mangle para mejor entender esta correlación.Este tutorial le mostrará cómo montar el mapeo de los man
Cómo medir la temperatura con gran exactitud con un Arduino y un tablero de Sensor de temperatura de TSYS01.

Cómo medir la temperatura con gran exactitud con un Arduino y un tablero de Sensor de temperatura de TSYS01.

Mientras estudiaba en la Universidad fuimos desafiados como parte de un trabajo de curso en diseño de una caja con control de temperatura muy preciso. Si el proyecto fuera a tener éxito, múltiples cajas debían ser construido y utilizado en un proyect
Sensor de temperatura inalámbrico simple actualización de sitio web con electric imp y termistor

Sensor de temperatura inalámbrico simple actualización de sitio web con electric imp y termistor

[Edición 2014] El planificador que fue utilizado por Imp eléctrico ya no es usado y no está disponible ya. [/Edit]Este es un pequeño proyecto para empezar con la eléctrica imp y un termistor para que pueda ver cómo puede obtener las lecturas de tempe
Sensor de temperatura DS18B20 con LCD

Sensor de temperatura DS18B20 con LCD

El DS18B20 viene en una forma de la sonda de temperatura, que es resistente al agua. Tuve un tiempo real duro tratando de conseguir este uno trabajo y he pensado que compartir cómo al final lo conseguí trabajando. ¡ Disfrute!Paso 1: partesLas piezas
Sensor de temperatura LM35 con registro de datos en tarjeta SD en Intel Edison

Sensor de temperatura LM35 con registro de datos en tarjeta SD en Intel Edison

-Muestra el uso de un sensor LM35 en Intel Edison para medir la temperatura durante largos períodos que van desde varias horas hasta semanas y registros de las lecturas de temperatura del sensor en una tarjeta SD insertada a bordo, todas las cosas ne
INVERNADERO, RACK de servidores, acuario y otros aparatos de temperatura SUPERVISOR con SMS sistema de alarma con Arduino, itbrainpower.net 3G / GSM escudos y 1WIRE SENSOR de temperatura

INVERNADERO, RACK de servidores, acuario y otros aparatos de temperatura SUPERVISOR con SMS sistema de alarma con Arduino, itbrainpower.net 3G / GSM escudos y 1WIRE SENSOR de temperatura

Sobre el proyectoConstruir usted mismo su propio control sistema con umbrales de temperatura máxima y mínimade la temperatura, mantener vivo masajes y paginación de SMS (oldies pero goldies como) y sistema de armado/desarmado remoto. Puede supervisar
Acuaponia: EnvDAQ actualización con Sensor de temperatura del agua (crecer cama DAQ)

Acuaponia: EnvDAQ actualización con Sensor de temperatura del agua (crecer cama DAQ)

el código fuente de la aplicación de la nube y el sketch de Arduino para este tutorial están disponibles aquí.También puede encontrar este tutorial en nuestro blog en un formato más legible (figuras en línea).El DAQ ambiental es un escudo de Arduino
Arduino-Datalogger con Sensor de temperatura y fotorresistencia

Arduino-Datalogger con Sensor de temperatura y fotorresistencia

en este proyecto que voy a crear un simple Datalogger con mi Arduino y un escudo de Ethernet.Va a utilizar un fotoresistor y un sensor de temperatura y toda la información se almacenará en una tarjeta micro SD.La idea es que se pueden aplicar a cualq