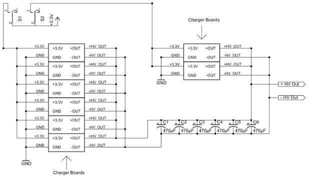
Paso 7: Montar los conmutadores



Conecte la línea negativa del cable de alimentación al negativo de la entrada en los consejos de cargador.
Conecte la línea positiva del cable de alimentación a los dos switches.
Conecte la salida de uno de los interruptores a dos de la entrada positiva de la tablas de cargador.
Conecte la salida del otro interruptor a la entrada positiva en el resto de las tablas de cargador.