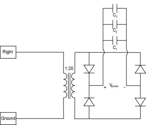
Paso 5: Filtración: condensadores (alisar Voltaje rectificado)


Teoría: Condensadores de almacenan carga y luego suéltelo. El valor del condensador debe ser elegido para que la RC de tiempo constante de la voluntad de ser mucho más largo que el período de la onda rectificada.
Enlaces útiles:
http://www.radio-Electronics.com/info/Circuits/Diode-Rectifier/Rectifier-Filtering-smoothing-capacitor-circuits.php
http://www.Electronics-tutorials.ws/Diode/diode_6.html
Práctica: Nuestro transformador no pudo darnos la prevista 1:20 la amplificación de la tensión de entrada. Por lo tanto, después del inicial diodo puente etapa de rectificación, la amplitud de la ondulación de la C.C. que estábamos experimentando con no era de preocupación significativa nos sugieren una necesidad de filtración adicional. Filtrado, sería una buena idea, pero tenemos una línea bastante plana que no es necesario.