


Fue a buscar a un conductor asequible gama completa pequeña con bajo decente y el Dayton Audio ND-65 en partes Express. Me encanta a este conductor, con su cono de aluminio puede soportar mejor que metidos en un paquete. Ya tenía un amplificador de 2x15w TA2024 pero tuvo que diseñar un circuito de carga para redondear la electrónica requerida. Pasé por 2 iteraciones en el diseño de la caja, el primero fue probar cómo baja obtendría los altavoces en un pequeño recinto que parece dejar a la derecha alrededor de 105hz. Pero realmente podría reducir el recinto y sintonizar a aproximadamente 75Hz sin ningún gran impacto en la 105Hz que me metía antes. El recinto final terminó siendo 12,25" L x 4.25" W x 3.25" H (fuera de las dimensiones) de contrachapado de abedul de 1/2". La longitud y la anchura eran decididos por el tamaño del panel solar que quería utilizar, la altura fue dictada por la altura del conductor.
El exterior fue pintado con un anticorrosivo recubierta de goma para los coches ayudar a soportar el abuso de algunos y los elementos.
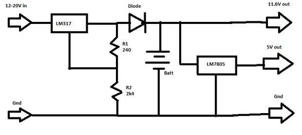
La energía es suministrada por 8 AA NiMh 2200mAh las baterías que se cargan a su vez por un 12v 1.5A panel solar. Las baterías están completamente cargadas de 1.45V por la célula o 11.6V total. Voltaje abierto en el panel solar indicado 22V en plena luz del sol, por lo que necesitaba para regular hasta mi tensión máxima de 11.6V. Esto fue lograda usando un regulador de voltaje LM317 con dos resistencias y había incluido un diodo. El valor de las resistencias varía algo como debe dar cuenta de una caída de 0.7V en el diodo. Creo que mis resistencias reales terminó siendo 240 y 2100.
El circuito de carga USB es otro circuito simple utilizando sólo un LM7805 para salida de 5V a un par de puertos UBS. Esto funciona realmente bien, pero tiende a calentarse si tiene un realmente hambre dispositivo de energía, ya que sólo es realmente bueno para cerca de 1 amp. Instalar un interruptor en el LM7805, puesto que está siempre en y drenar las baterías con una pequeña corriente.
La entrada de audio es a través de un 1/8" conector de audio de los auriculares del teléfono. Esto puede conseguir sustituirá con un dispositivo de entrada de bluetooth ya fidelidad de audio no es de suma importancia. Pero como puedo tener mi teléfono conectado y carga y escuchar algunas canciones a la vez.
Mis impresiones de escuchas globales son que es mucho mejor que uno de los altavoces portátiles bluetooth pequeño. Todavía no hay tan profundamente como gustaría pero no es malo para un driver de 2-1/2". Medios son realmente buenos y los agudos son poco brillante pero se suaviza con el uso. Haz algo ruidoso, volumen es actualmente completamente controlado por el dispositivo, aunque puedo añadir un botón de volumen porque el volumen más bajo en mi teléfono sigue siendo demasiado alto para mis vecinos de cubo en el trabajo.
Con una carga completa tenía esta jugando a cerca de volumen máximo durante 8 horas, el teléfono no se está cargando, y no estaba conectado el panel solar.