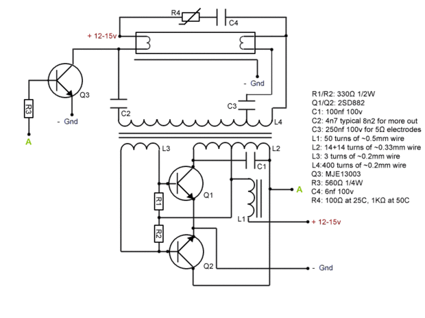
Paso 1: El diagrama esquemático

El electrodo conectado a la secundaria no está calentando.
Incrementar el valor de C3.
El electrodo conectado al transistor no está calentando.
Disminuir el valor de R3. Si esto no soluciona el reemplazar problema P3.
Poca o ninguna salida y mucha calor, sorteo de la corriente.
Disminuir el valor de C2 y acortar el aire gap en base (transformador cubierto en el siguiente paso), retroalimentación de comprobar la polaridad de la bobina. Si esto no soluciona el problema de substituir Q1 y Q2.
Lámpara no huelga en 12v entrada, extremos que brilla intensamente brillantemente.
Disminuir el valor de C4.