Paso 4: Crear el circuito de Control del juego


Dos conectores compatibles Wii (TM) se construyen en la PCB de la extrema Quickplayer. sí, es infiel, pero en el buen sentido.
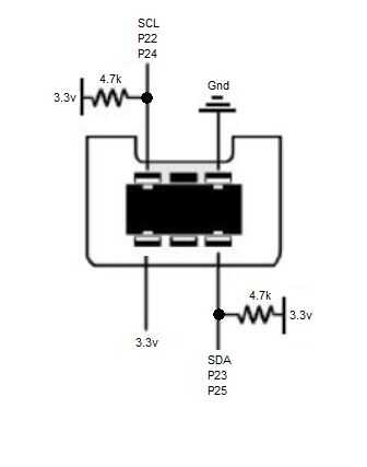
Todo lo que necesita hacer es agregar las resistencias pull-dos up como se muestra a continuación.
- Insertar y soldar dos 4,7 resistencias de k a la izquierda del interruptor de reinicio.
Para los que construir su propia versión DIY de este producto, usted necesitará cortar el extremo de su controlador de Wii (TM) (muy mala idea) o uno de esos conectores breakout de Wii o un cable de extensión Wii Nunchuck que puede cortar el extremo de obtener. El jugador 1 utiliza P22 y P23. Jugador 2 usa P24 y P25.
He demostrado el esquema de mirar en el conector del regulador de Wii (TM). Nota la forma de U del conector quede encarado hacia arriba.