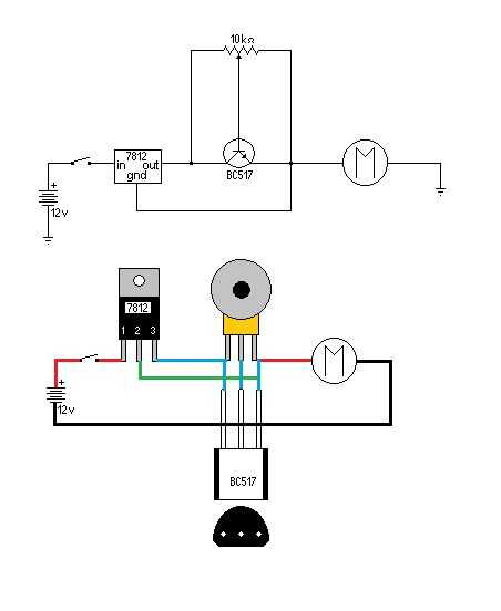
Circuito de pruebas de

me paso un poco de tiempo en el Q & una aquí en Instructables respondiendo a preguntas y a veces construcción y pruebas de un circuito como éste para controlar un PC velocidad de ventilador de enfriamiento. Este miembro en Instructables quería controlar la velocidad y frenar el ventilador hacia abajo tanto como sea posible, este circuito no cambia el voltaje cambia la corriente por lo que hay pocas probabilidades de quemar el motor. Ya que tengo una masa de componentes y trabajar con el tiempo en mis manos puedo construir y probar un circuito sin tener que gastar mucho más de mi tiempo.

Es una pregunta por miembros indirectamente tratando de responder a una pregunta en Q & A, "cómo se prueba el circuito?"

La respuesta que usted obtiene de su medidor u osciloscopio puede no ser lo que usted obtiene de su circuito hay una cosa que se llama efecto de carga. A veces su metro se encuentra a usted.

Este Instructable es preguntado sobre la prueba adecuada de un circuito o un prototipo con el fin de responder a la pregunta tan a menudo en Q & A, "¿por qué no mi circuito funciona?"

Artículos Relacionados

Uso de Circuitscribe para construir un circuito de prueba para la lógica Beambot

Uso de Circuitscribe para construir un circuito de prueba para la lógica Beambot

La pluma de circuitscribe se utiliza para dibujar un circuito de prueba para una puerta de lógica NAND utilizado para un proyecto de robot Beam.Materiales:Estándar de la puerta NandProtoboardConduce10 kOhm resistenciasEspigas de lavado e imanesPluma
Circuito de prueba de temporizador IC 555

Circuito de prueba de temporizador IC 555

aquí está el esquema del circuito de prueba de temporizador IC 555. Este circuito de pruebas de IC 555 pruebas tu todo IC 555 temporizador. Así que antes de usar su IC, compruebe inmediatamente que el IC es bueno o malo por archivarla. Esto puede hac
Light-Up sentía Menorah con etiqueta de circuito Chibitronics (prueba de concepto)

Light-Up sentía Menorah con etiqueta de circuito Chibitronics (prueba de concepto)

Cada año en tarde otoño, durante la festividad judía de Janucá (o Chanukah), las familias se reúnen alrededor de la menorá a la luz de las velas de vacaciones. Me decidí a ver si me pudieras crear una menorá de fieltro del Light-Up con LEDs que oscil
CIRCUITO de pruebas remoto IR de más simples

CIRCUITO de pruebas remoto IR de más simples

aquí es el circuito de probador remoto ir más simple que se hace totalmente de componentes como led, photododes y batería. Funciona como cualquier complejo ir remoto prueba circuito con transistores y receptores de infrarrojos. Para probar cualquier
Diseño de circuito de aire de energía libre de Tesla y pruebas

Diseño de circuito de aire de energía libre de Tesla y pruebas

Este video muestra un diseño de circuito que encontré en YouTube que se llama un circuito de aire de energía libre de Nikola Tesla. Que el video mostró un diagrama del circuito dibujado mano que parecía simple, así que me decidí a construir uno. En r
Como tableros de circuitos (método de epoxy) a prueba de agua.

Como tableros de circuitos (método de epoxy) a prueba de agua.

En este instructable mostraré cómo un circuito a prueba de agua. Se impermeabilización un receptor barato de RC de HobbyKing, pero el mismo método puede aplicarse a muchos tableros diferentes. He usado esta técnica desde hace unos años y nunca tuve p
El Penetoaster (una plataforma de pruebas de penetración / ocultos bóveda emulador)

El Penetoaster (una plataforma de pruebas de penetración / ocultos bóveda emulador)

aquí es otro de la idea completamente loca de pared, generado a partir de aburrimiento y mi enfermo y torcido vistas en él seguridad. Recientemente gané el de abril concurso de día de los tontos con mi Instructable Shockeration y uno de los premios f
¿Entrada de Audio de conmutación del circuito dual

¿Entrada de Audio de conmutación del circuito dual

ha tenido alguna vez el tema de tener un sistema de altavoces y entradas múltiples que requieren que enchufar y desenchufar tu audio conduce cada vez que quieras escuchar una fuente? Bueno, tengo una solución para usted! Este Instructable trata de ha
Placa de goma (silicona circuito)

Placa de goma (silicona circuito)

Obtener toda la funcionalidad de un protoboard regular pero en un formato hinchable divertido, flexible!Una goma completo tablero de pan es bueno porque la electrónica puede ser presionada en la goma bien, y una vez que el circuito establecido, puede
Probador de componentes - prueba de casi cualquier cosa!

Probador de componentes - prueba de casi cualquier cosa!

Ser un estudiante de electrónica o aficionado, usted pudo haber pensado de conseguir un medidor que puede probar casi cualquier cosa "los componentes de la electrónica, obviamente!!!!"Ahora qué pasa si te digo que puede tener uno y que también p
Sensor de músculo DIY / EMG circuito para un microcontrolador

Sensor de músculo DIY / EMG circuito para un microcontrolador

medir la activación muscular a través de potencial eléctrico, conocido como electromiografía (EMG) , tradicionalmente se ha utilizado para investigación médica y el diagnóstico de trastornos neuromusculares. Sin embargo, con el advenimiento de la que
Ornamento de blinky LED "robot" circuito suave

Ornamento de blinky LED "robot" circuito suave

aprende a hacer un robot fácil y rápido adorno completo con panel de blinky torso! Este es un circuito muy sencillo y requiere habilidades de costura para principiantes y no electrónica experiencia.Paso 1: Reunir los materiales y herramientas Se nece
Control de tira de LED con atenuador y circuitos de pulsos Audio

Control de tira de LED con atenuador y circuitos de pulsos Audio

Este es un circuito realmente pongo juntos basado en otro Instructable para el pulso a la música: Este Instructable me puso a pensar que es un poco una basura para tener tira LED sentado en el ferrocarril de imagen que puede ser utilizado cuando está
Circuito de Theremin Light Scribe

Circuito de Theremin Light Scribe

Este Instructable utiliza módulos de circuito Scribe y tinta conductiva para crear un theremin simple de luz. En este proyecto, la entrada desde el sensor de luz determina el tono del sonido generado por el zumbador. El kit de circuito Scribe facilit