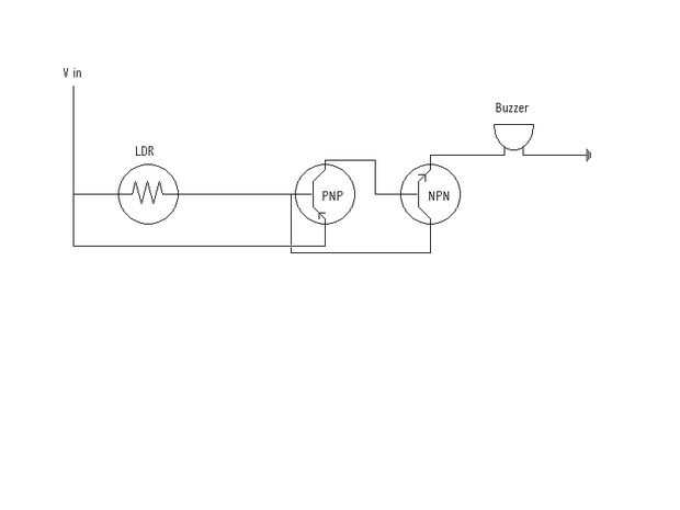
Circuito de la conmutación (2 / 3 paso)

Paso 2: esquemático

La idea de mi circuito consiste en un LED, LDR, relé y un interruptor digital. Cuando ponga a dar una vuelta juntos el LED y LDR se colocarán en lados opuestos de mi barril de coilguns y el conmutador digital se encenderá y encendida cuando el proyectil pasa entre la luz y el detector de luz. Mi problema actual (corriente... jejeje) es que el interruptor hace justo lo contrario. Cuando se introduce la luz, el circuito esté apagado y se mantiene apagado.

Artículos Relacionados

¿Entrada de Audio de conmutación del circuito dual

¿Entrada de Audio de conmutación del circuito dual

ha tenido alguna vez el tema de tener un sistema de altavoces y entradas múltiples que requieren que enchufar y desenchufar tu audio conduce cada vez que quieras escuchar una fuente? Bueno, tengo una solución para usted! Este Instructable trata de ha
Generador de bicicleta USB

Generador de bicicleta USB

el USB moto generador es un dispositivo de montaje electricidad producir pequeña bici optimizado para proporcionar la energía para dos puertos USB.  Hay tanta pequeña electrónica que puede ser accionado o cargada de una conexión USB sólo se hace desd
Construir y una bobina de Tesla Musical de MONSTER con un microcontrolador del código

Construir y una bobina de Tesla Musical de MONSTER con un microcontrolador del código

visita mi página de youtube para más proyectos: http://www.youtube.com/channel/UCksEFn8xaLP0z4rsiHa9zcA?feature=mheeComo suben los meses de invierno, muchos se obligado a permanecer en el interior... Para muchos, esto significa jugar scrabble con la
Creación de la corriente alterna

Creación de la corriente alterna

esto está basado en un diseño de Ruhmkorff o bobina de inducción. Es una manera de hacer que la corriente alterna (probablemente una onda cuadrada). Yo no puedo garantizar que esto funcionará, pero está basado en un diseño de bobina de inducción por
Los robots de batalla

Los robots de batalla

Luchar contra a tus amigos con estos robots de batalla con procesador Intel. Esta pequeña explosión de bots con arroja a chorros de agua y detectar golpes con sensores de agua alineados a lo largo de sus cuerpos. Cada bot es alimentado por una placa
Buscador de tienda Festival

Buscador de tienda Festival

Encontrar la tienda en un gran festival o camping a menudo puede ser bastante difícil! Millas a millas de similares ver tiendas, oscuros caminos entre ellos y como a menudo no (para mí al menos) una cerveza dentro de ti a fuddle tu tienda encontrar d
Desde una cafetera a un reloj despertador de viaje

Desde una cafetera a un reloj despertador de viaje

soy un gran creyente en una forma más verde de vida para reducir reutilizar reciclar y reutilizar, para ello he entendido muchas cosas puesto hacia fuera para la basura, los ordenadores me sale mi esposa le gusta reconstruir y les da a personas que n
LinkIt uno Ultimate IoT

LinkIt uno Ultimate IoT

Si siempre han sido a los Emiratos Árabes Unidos en el verano, probablemente sabrás sobre el calor allí. Pero cuando estás dentro, en tu casa o habitación, y el acondicionador de aire está encendido, no se siente el calor en todos.Ahora imagina que t
Cómo hacer que cualquier electrodoméstico en un híbrido eléctrico Solar

Cómo hacer que cualquier electrodoméstico en un híbrido eléctrico Solar

Este proyecto es una manera simple y barata a integrar las energías renovables en su casa girando sus electrodomésticos en híbridos eléctricos solares. Aquí está cómo funciona. Un panel solar (o cualquier otra fuente de energía renovable) carga una b
Seguridad sistema ahorrador de energía

Seguridad sistema ahorrador de energía

este circuito se utiliza para la automatización de una programado sistema de seguridad, lo mejor de todo, puede costar sólo te costará $0,25 al año para funcionar de día y noche. (Todos los precios de electricidad basan en un costo promedio nacional
USB de CA desarrollado señales de Control y lámparas

USB de CA desarrollado señales de Control y lámparas

me dio un médico muy chulo iluminado muestra como regalo: montarse en la pared en mi oficina en casa encima de mi ordenador.  Me gusto mucho pero no quiero tener que encender y apagar como fui dentro y fuera de mi oficina en casa y no quería dejarlo
Making a simple soft switch

Making a simple soft switch

Paso 1: Diseñar el circuito de la conmutación . Se trazaron los dos diseños diferentes en las telas de peso ligero.. Cintas Masking se utiliza como plantilla.Paso 2: Aplicar el conductor pega en los tejidos . Se utilizó la pasta conductora Electrospe
Dos circuitos de conmutación modo de alimentación basado en el 555 temporizador

Dos circuitos de conmutación modo de alimentación basado en el 555 temporizador

Hoy en día las fuentes de alimentación de modo conmutado (SMPS) son ampliamente utilizadas en los dispositivos electrónicos. En comparación con los lineales, tienen las ventajas de ser más eficientes, para ocupar el lugar más pequeño y más barato. La
Circuito de inversor sinusoidal pura

Circuito de inversor sinusoidal pura

TABLERO DEL CONDUCTOR SINUSOIDAL PURA INVERSOR UTILIZANDO EGS002Circuito de inversor sinusoidal pura con ningún grifo para diseño de centro se ha convertido en simple mediante EGS002 inversor Sinusoidal tarjeta de conductor o tarjeta. Este post se da