Seguridad sistema ahorrador de energía

este circuito se utiliza para la automatización de una programado sistema de seguridad, lo mejor de todo, puede costar sólo te costará $0,25 al año para funcionar de día y noche. (Todos los precios de electricidad basan en un costo promedio nacional de 2009 encuentra aquí .) Si tienes un circuito de sistema de seguridad para correr durante mucho tiempo, entonces probablemente no quiere pagar más de lo que usted necesita pagar ni quieres tener el botón encendido y apagado manualmente con el fin de ahorrar dinero y tenerlo en la noche. Este circuito se encarga de los problemas de ambos. El circuito se puede cambiar todo en un horario diurno o nocturno y es de bajo costo para ejecutar junto con el otro circuito. (Voy a explicar cómo calcular estos precios de tiempo de ejecución en el último paso).
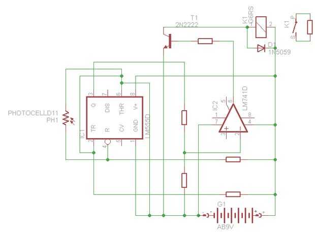
Materiales difieren dependiendo de cual de los dos circuitos que se va a construir, pero aquí están los componentes usados en ambos circuitos:

1 x 555 temporizador
3 resistencias de x (1 x 470 ohmios, 2 x 470K)
1 x Photoresistor
1 x LED
1 x no-diodo Zener
varios cables de puente

Para el circuito del relé de 5v, usted necesitará estos además de los componentes mencionados:

1 x 5v relay
regulador de 1 x 12v
por lo menos 2 alto clasificado condensadores con calificaciones de voltajes de 20 voltios o más)

Para el circuito del relé de 12v, usted necesitará estos además de los componentes mencionados:

1 amp op de x LM741
1 x transistor de tipo NPN
1 x 12v relé
2 x 65K resistencias

Artículos Relacionados

AHORRADOR de energía inteligente

AHORRADOR de energía inteligente

Este proyecto mío es reducir con éxito el poderconsumo en nuestra casa y así ahorrar energía y reducir las facturas de electricidad. Me inspiré a pensar en este proyecto debido a las crecientes tasas de electricidad. Siempre me había preguntado por q
Ahorrador de energía de 3 Watt

Ahorrador de energía de 3 Watt

¡ Hola! amigosBienvenidos a mi otro 2k 16 proyecto de "ahorro de energía de 3 watt". En este proyecto voy a mostrarte cómo hacer tu propio ahorrador de energía homemad mediante el uso de ahorrador de energía muerta. No pierda su ahorro de energí
Reutilizar partes de una lámpara ahorradora de energía

Reutilizar partes de una lámpara ahorradora de energía

Hola a todos,Hoy quiero mostrarle cómo puede sacar el máximo provecho el dinero invertido en un ahorro de energía lámpara extrayendo sus partes útiles después de que ha quemado.El objetivo:El objetivo de este Instructable es para mostrar una fuente d
Cómo engañar a una huella digital seguridad sistema como fácil como ABC

Cómo engañar a una huella digital seguridad sistema como fácil como ABC

esta instrucción le mostrará cómo engañar a un sistema de seguridad de huella digital tan fácil como ABC. IBM nunca quiero que sepas. funciona para la mayoría de lo sistema de seguridad de la huella digital también. Por ejemplo: por ejemplo. puerta,
Prueba con seguridad los requisitos de energía de electorics

Prueba con seguridad los requisitos de energía de electorics

en TechShop en Chandler, Arizona (techshop.ws) tienen un depósito de "Basura". Como resultado de esto hay un montón de cosas útiles dispositivos electrónicos especialmente. El lado positivo de esto es que la parte es gratis pero el lado negativo
Ahorrador de energía de reserva todo en un kit con Panel solar plegable móvil

Ahorrador de energía de reserva todo en un kit con Panel solar plegable móvil

Hi todo el mundo,En primer lugar que me gustaría decir que esto es un "OFFGRID CONEST" instructable por favor votar si te gusta el proyecto!La idea surgió cuando yo estaba acampando en una isla griega de Lefkada (tal vez las mejores playas de Eu
Láser de seguridad sistema 2.0

Láser de seguridad sistema 2.0

Estoy seguro que todos ustedes han visto sistema de seguridad láser en películas de espionaje. ¿Te has preguntado sobre hacer tu por tu cuenta? Bien este instructables trata de hacer su propio sistema de seguridad láser. Esto es parte 2 de mi proyect
Ahorrador de energía para el calentador de agua / Geyser

Ahorrador de energía para el calentador de agua / Geyser

Introducción:Una manera simple y eficaz para reducir su consumo de energía para el calentador de agua / Geyser.Por lo general todos los edificios modernos tienen el aireador / fizzer instalados en los grifos, que da un agua espumosa.Ventajas:•Preveng
Cómo hacer lavavajillas ahorrador de energía

Cómo hacer lavavajillas ahorrador de energía

Noruega en Oslo se ha construido una planta de recuperación de calor atadasu planta de tratamiento de aguas residuales.   En nuestras casas tenemos calor agua calientesólo para eliminar la mayor parte de esta agua caliente por el desagüe.   Un lavava
Cómo ahorrar energía en su iMac

Cómo ahorrar energía en su iMac

En este instructable, aprenderá a ahorrar energía en tu mac.Paso 1: Encuentre y abra Preferencias del sistema Navegue a su carpeta de aplicaciones y encontrar las preferencias del sistema. Una vez que lo encuentre, abrirlo.Paso 2: Búsqueda de ahorro
El nuevo y mejorado sin cepillo eléctrico Scooter sistema Guía de alimentación

El nuevo y mejorado sin cepillo eléctrico Scooter sistema Guía de alimentación

en 2008, armé una guía en Instructables acerca de cómo actualizar el sistema de alimentación de su pequeño vehículo eléctrico personal. Fue una cartilla sobre los fundamentos de un sistema eléctrico de vehículo eléctrico y ofrece recursos y consejos
Seguridad de los vehículos con GSM

Seguridad de los vehículos con GSM

El objetivo principal de hacer base de vehículo robo alerta sistema GSM es aplicar la electrónica las teorías, métodos modernos de la seguridad, sistemas integrados y edad de módem de ciencia y tecnología para muchas clases de máquina de transporte.
Conservar energía y ahorrar dinero

Conservar energía y ahorrar dinero

hay muchas maneras en que su casa puede convertirse en una sanguijuela de potencia y energía pero con unos cambios sencillos pueden ahorrar en facturas y reducir su huella. Estos son unos consejos que he atraviesan y la mayoría son conocimiento común
Construir casa Sistema Solar

Construir casa Sistema Solar

Inicio construir Sistema SolarPor qué pagar mucho dinero (o dinero) para un programa que muestra cómo puede hacer su propio panel solar como usted puede conseguir esto gratis.Visitar Inicio construir Solar sistema http://home.kpn.nl/maas5455/y experi