Circuito amplificador de inversión (3 / 7 paso)

Paso 3: Construir el circuito

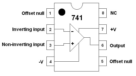
Tip: Utilice el borde biselado de la amp op como la parte superior.

  1. Coloque UA741CD amplificador operacional en el centro de la placa para que tenga sus pernos insertados en ambas mitades de la placa.
  2. Inserte el alambre de la tercera patilla (+) del amplificador op al terminal de tierra de la placa.
  3. Inserte Rin (resistor de 10.000 ohmios) del segundo perno (-) del amplificador op a un punto arbitrario en el protoboard que no está conectado a nada.
  4. Conecte un extremo del Rf (resistencia de 100.000 ohm) con el segundo conector (-) del amplificador op con el otro extremo conectado al pin de sexto (salida) del amplificador operacional.

PRECAUCIÓN: Asegúrese de que ninguno de los pines en el amp op están doblado o podría sufrir daños cuando se aplica una señal de entrada.

Artículos Relacionados

Circuito amplificador

Circuito amplificador

esto es amplificador de transistor simple que encontré buscando para amplificadores, usé bc548 y bc327, el lugar del transistor es corecta pero pin no es, si el amplificador no funciona solo transistores de vuelta 180 grados.  en mi protoboard que pr
Circuitos de amplificador operacional DC

Circuitos de amplificador operacional DC

En este instructable espero cubrir los fundamentos de los circuitos de CC con amplificadores operacionales, también conocidos como op-amps. El material que presento ha sido adaptado de mis materiales de laboratorio de electrónica en el Pomona College
No invertir el amplificador con uA741

No invertir el amplificador con uA741

el amplificador operacional es probablemente el circuito integrado más versátil disponible.  El Op-Amp más común es el 741 y se utiliza en muchos circuitos, ya que es muy barato. Su principal objetivo es amplificar (aumento) una señal débil.Amplifica
Pase de banda dinámica y efectos de recorte circuito del Pedal para Guitarra

Pase de banda dinámica y efectos de recorte circuito del Pedal para Guitarra

El objetivo original de este proyecto era construir un pedal de wah funcional, usando nuestras habilidades de electrónica básica, con un simple y fácil de entender el circuito, diseñado para guitarra eléctrica o bajo. Al final del día, sin embargo, t
Amplificador de coco

Amplificador de coco

No puedo tomar crédito por la idea: una búsqueda rápida de web para "amplificador de coco" traerá para arriba un par de partidos. Me topé con la idea buscando un amplificador de ukelele fresco. La versión presentada aquí se basa en el amplificad
Amplificador de 1 vatio guitarra práctica barato!

Amplificador de 1 vatio guitarra práctica barato!

OK, normalmente esperar a partir de otro proyecto... pero este cayó en mi regazo.Un amigo trajo en sus altavoces para ordenador roto, dijo, "están roto." y vagaba lejos.Sólo había leído el artículo sobre Hacer la revista para el amplificador de
Guitarra electrica de caja de puros con construido en amplificador

Guitarra electrica de caja de puros con construido en amplificador

Estaba cansado de llevar alrededor de amplificadores y guitarras pesadas cuando fui de vacaciones o camping y necesitaba algo para jugar mientras yo estaba lejos. Por eso hice esto. Se trata de una guitarra tipo strat portable, luz, que me llevo cuan
Sensor de músculo DIY / EMG circuito para un microcontrolador

Sensor de músculo DIY / EMG circuito para un microcontrolador

medir la activación muscular a través de potencial eléctrico, conocido como electromiografía (EMG) , tradicionalmente se ha utilizado para investigación médica y el diagnóstico de trastornos neuromusculares. Sin embargo, con el advenimiento de la que
PICAXE - responsivo de música, producción de niebla, Show de luces de LED y amplificador de Audio todo en uno

PICAXE - responsivo de música, producción de niebla, Show de luces de LED y amplificador de Audio todo en uno

n este instructable explicar y llevar a cabo procesos como corte y utilizar varios equipos, imitando a cualquiera de los procesos en este instructable usted lo hace bajo su propio riesgo y asegúrese de seguir cualquier información de seguridad para c
Simple, con amplificador de bolsillo

Simple, con amplificador de bolsillo

este es un pequeño amplificador de potencia que se conecta a un conector estéreo de 1/8" y acepta la misma. Muchas personas no saben nada sobre circuitos de amplificador y no tienen idea cómo hacer uno, así que por qué no dejamos que una empresa hace
DIY amplificador de potencia HiFi Gainclone (2x68w, clase AB-A, LM3886)

DIY amplificador de potencia HiFi Gainclone (2x68w, clase AB-A, LM3886)

he hecho gainclone amplificador que utiliza un chip LM3886 . Es uno de los mejores amplificadores de Hi-Fi compactos. Es un amplificador (Conjugado) de la clase AB-A que tiene una estructura completamente simétrica (push-pull), esto significa que las
Cómo hacer un Clap-Clap Clap-Clap de interruptor de circuito!

Cómo hacer un Clap-Clap Clap-Clap de interruptor de circuito!

Hi all!Este instructable no sólo le da al lector la información necesaria para crear un clap-clap clap clap de conmutación de circuito, pero la lógica que se utiliza para hacer un sólo hardware clap-on, clap de circuito.  Más información sobre una ve
Amplificador de audio con partes rescatadas

Amplificador de audio con partes rescatadas

Me gusta rescatar piezas electrónicas de equipos desechados. Mucha gente alegre donará no deseados radios, estéreos, radios CD y otros dispositivos para alguien como yo que quiere aprender y está dispuesto a conseguir. Muchos de los dispositivos elec
Volumen Hack seguro electrónica 2 x 200W amplificador de Audio

Volumen Hack seguro electrónica 2 x 200W amplificador de Audio

Este instructable es un add-on/actualización de fuera de la red sonido sistema Dan de partido se centró en cómo modificar la placa de circuito amplificador disponible actualmente con pre-amplificación a bordo. Comerciales, su electrónica 2 x 100W amp