Paso 3: Cableado y poder (Resumen)


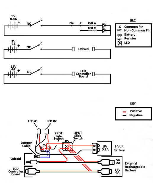
Al conectar la tableta, es importante recordar al utilizar materiales que están clasificados para la potencia de salida. Si no, uno de sus componentes pueden dañarse rápidamente y necesitan ser reemplazados. He proporcionado un esquema para ayudarme a explicar cómo funciona cada parte. Mi micro-pc requiere una entrada de 5V2A (este requisito de energía es común entre varias diferentes Micro-PC), y el tablero de regulador del LCD requiere una entrada 12V4A. Estoy alimentando ambos de estos dispositivos de la misma batería. Para encender el LED usé una batería de 9V. Yo quería ser capaz de activar o desactivar todos los dispositivos a la vez, razón por la cual necesitaba el 3PDT interruptor. El 3PDT interruptor (tres polos doble tiro) tiene un total de nueve pines divididos en tres grupos de tres (2 grupos son no comunes y 1 grupo es común). Cada uno de los cables necesarios para este proyecto tienen un positivo y negativo. El metal exterior del enchufe suele ser negativo y el metal interior del enchufe suele ser positivo.